Motor Electric Trifazat 0.12kW, 1400rpm | Gabarit 63, Prindere B14
Acest motor electric trifazat 0.12kw 1400rpm 63 B14, reprezintă soluția optimă pentru o gamă largă de aplicații industriale de mică putere care necesită fiabilitate, eficiență și o construcție compactă. Proiectat pentru a oferi performanță constantă, acest motor combină materiale de înaltă calitate, precum carcasa din aluminiu turnat și bobinajul din cupru pur, cu un design standardizat conform normelor IEC. Clasa de protecție IP55 asigură o funcționare sigură în medii industriale cu praf și umiditate, făcându-l o componentă de încredere pentru sistemul dumneavoastră de acționare.
Puncte Forte și Aplicații Industriale
Fiecare aspect al acestui motor a fost proiectat pentru a maximiza eficiența operațională și a reduce costul total de proprietate (TCO).
- Construcție Robustă din Aluminiu: Carcasa din aliaj de aluminiu turnat sub presiune nu doar că oferă o greutate redusă pentru o manevrare facilă, dar asigură și o disipare excelentă a căldurii generate în timpul funcționării. Această caracteristică esențială previne supraîncălzirea și prelungește semnificativ durata de viață a componentelor interne, precum izolația și rulmenții.
- Clasă de Protecție IP55: Motorul este complet protejat împotriva pătrunderii prafului în cantități care ar putea afecta funcționarea și este etanșat împotriva jeturilor de apă de joasă presiune din orice direcție. Această certificare garantează funcționarea fiabilă în medii de lucru dificile, specifice halelor de producție, atelierelor sau instalațiilor agricole, reducând riscul de defecțiuni premature și costurile asociate cu întreținerea neplanificată.
- Eficiență Energetică Optimizată: Datorită utilizării unui bobinaj statoric din cupru de înaltă puritate și a unui design electromagnetic avansat, motorul funcționează cu un randament ridicat. Acest lucru se traduce direct în reducerea consumului de energie electrică, contribuind la scăderea costurilor operaționale pe întreaga durată de viață a echipamentului.
- Funcționare Silențioasă și Vibrații Reduse: Echilibrarea dinamică precisă a rotorului și utilizarea unor rulmenți de înaltă calitate asigură o funcționare lină, cu un nivel redus de zgomot și vibrații. Aceasta îl face ideal pentru aplicații unde confortul acustic în spațiul de lucru este un factor important și protejează componentele mecanice conectate de uzura cauzată de vibrații excesive.
- Montaj Standardizat B14: Flansa de prindere de tip B14 este conformă cu standardele internaționale IEC, ceea ce permite o integrare rapidă și fără probleme în echipamentele existente sau în proiecte noi. Standardizarea dimensională elimină necesitatea unor adaptări mecanice costisitoare și reduce timpul de instalare, permițând o punere în funcțiune rapidă.
Performanță, Eficiență și Conformitate
Performanța motorului este predictibilă și conformă cu cele mai riguroase standarde din industrie, oferind inginerilor și tehnicienilor siguranța unei integrări fără surprize.
- Design cu 4 Poli: Configurația cu 4 poli magnetici determină o viteză sincronă de 1500 rpm la o frecvență de 50 Hz. Turația nominală de aproximativ 1400 rpm (turația la sarcină maximă) este stabilă și ideală pentru aplicații care nu necesită viteze foarte mari, dar beneficiază de un cuplu constant.
- Regim de Funcționare: Motorul este proiectat să funcționeze la sarcina sa nominală pentru o perioadă nedeterminată de timp, fără a depăși limitele termice ale izolației. Aceasta este o garanție a fiabilității pentru aplicațiile care rulează în cicluri lungi sau neîntrerupte.
- Clasă de Izolație F: Sistemul de izolație al bobinajului este de clasă F, ceea ce înseamnă că poate rezista la o temperatură maximă de 155 °C. Motorul este proiectat să funcționeze în clasa termică B (cu o creștere a temperaturii de 80 K), ceea ce oferă o rezervă termică substanțială de siguranță (155∘C−130∘C). Această marjă de siguranță contribuie la o durată de viață excepțional de lungă, chiar și în condiții de operare solicitante sau la temperaturi ambientale ridicate.
- Conformitate cu Standardele IEC: Toate caracteristicile dimensionale (gabarit, diametru ax, dimensiuni flanșă) și de performanță electrică respectă standardele Comisiei Electrotehnice Internaționale (IEC). Această conformitate asigură interschimbabilitatea completă cu alte motoare de la producători diferiți care respectă aceleași norme, reducând riscurile de incompatibilitate și simplificând procesul de achiziție și mentenanță.
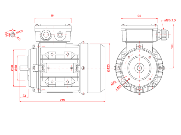
Specificații Tehnice Complete Motor electric trifazat 0.12kw 1400rpm 63 B14
Dimensiuni, Montaj și Schemă Tehnică
Detalii Constructive: Gabarit 63 și Prindere B14
- Gabarit 63: Această valoare standardizată definește înălțimea de la baza tălpilor (dacă ar fi prezente) până la centrul axului, care este de 63 mm. Chiar dacă acest model este cu flanșă, gabaritul rămâne un identificator cheie pentru dimensiunile generale ale motorului.
- Prindere B14: Indică un montaj pe o flanșă de dimensiuni mici, cu găuri de trecere pentru șuruburi. Acest tip de prindere este frecvent utilizat pentru cuplarea directă la reductoare, pompe sau alte echipamente unde alinierea precisă și o construcție compactă sunt esențiale. Se recomandă consultarea schemei tehnice pentru diametrul cercului de găuri și diametrul de centrarea al flanșei.
Recomandări de Instalare și Mentenanță
- Alinierea: Pentru a asigura o durată de viață maximă a rulmenților (atât ai motorului, cât și ai utilajului condus), este crucială o aliniere cât mai precisă între axul motorului și axul sarcinii. Nealinierile radiale sau axiale induc sarcini suplimentare care duc la uzură prematură.
- Utilizarea Cuplajelor: Se recomandă insistent utilizarea cuplajelor elastice pentru a conecta motorul la sarcină. Acestea au capacitatea de a compensa micile nealinieri inevitabile și de a amortiza șocurile și vibrațiile din timpul pornirii sau a variațiilor de sarcină, protejând astfel întregul lanț cinematic.
- Ventilația: Asigurați-vă că motorul este instalat într-o locație unde fluxul de aer către capacul ventilatorului nu este obstrucționat. O răcire corespunzătoare este vitală pentru funcționarea în regim S1.
- Întreținere: Datorită rulmenților capsulați și a construcției fără perii (specifică motoarelor asincrone), acest motor este practic lipsit de întreținere. Se recomandă doar o curățare externă periodică a carcasei și a grilei ventilatorului pentru a menține eficiența răcirii.
Informații Esențiale și Produse Complementare
Compatibilitate și Control
Acest motor trifazat standard este pe deplin compatibil cu majoritatea convertizoarelor de frecvență (VFD / invertoare) disponibile pe piață. Utilizarea unui VFD permite controlul precis al turației, porniri și opriri line, precum și optimizarea consumului de energie în aplicațiile cu sarcină variabilă, adăugând un nivel superior de flexibilitate sistemului dumneavoastră.
Completați Sistemul Dvs. de Acționare
Pentru a realiza un sistem de acționare complet, fiabil și perfect compatibil, vă recomandăm să luați în considerare următoarele produse disponibile pe emotoare.ro:
- Reductoare Melcate sau Cilindrice: Ideale pentru aplicațiile care necesită un cuplu de ieșire ridicat la turații mai joase. Gabaritul 63 al motorului permite o cuplare directă și standardizată cu reductoarele compatibile.
- Cuplaje Elastice cu Bolțuri sau cu Gheare: Asigură o legătură sigură și flexibilă între axul motorului și axul utilajului, protejând componentele mecanice. Vedeți gama noastră de cuplaje tip RB sau cu element elastic tip stea.
- Convertizoare de Frecvență (Invertoare): Pentru controlul avansat al vitezei și optimizarea proceselor, alegeți un invertor trifazat corespunzător puterii de 0.12 kW.
- Fulii și Curele de Transmisie: O soluție clasică și eficientă pentru transmiterea puterii la distanță între axe paralele, permițând în același timp modificarea raportului de turație.
