Motor Electric Trifazat 0.37kW, 1400rpm | Gabarit 71, Prindere B3
Proiectat pentru a fi pilonul de rezistență al utilajelor staționare, acest motor electric trifazat 0.37kw 1400rpm 71 B3 (0.5 CP) livrează un cuplu superior pentru aplicații solicitante. Trecerea la gabaritul 71 introduce un ax ranforsat de 14 mm, iar montajul pe talpă (B3) asigură o ancorare solidă, esențială pentru a gestiona forța mărită în transmisii prin curele. Turația sa de 1400 rpm (4 poli) oferă o funcționare constantă și eficientă. Construit cu bobinaj din cupru, motorul garantează eficiență și fiabilitate, fiind protejat IP55.
Avantaje Cheie pentru Sarcini Solicitante
Acest model este alegerea ideală atunci când atât puterea brută, cât și o fundație stabilă sunt non-negociabile.
- Fundație de Neclintit pentru Putere Sporită (B3): Montajul pe talpă este cea mai sigură metodă de fixare pentru a gestiona cuplul superior al unui motor de 0.5 CP. Acesta anulează vibrațiile și rezistă forțelor de tensionare din transmisiile prin curea, asigurând o funcționare precisă și sigură.
- Upgrade de Forță pentru Utilaje de Banc: Cu o putere de 0.37 kW, acest motor este un upgrade direct pentru polizoare industriale, mașini de găurit de coloană și compresoare, permițându-le să lucreze cu materiale mai dure sau să atingă performanțe superioare fără a se bloca.
- Ax Robust de 14 mm pentru Anduranță: Axul ranforsat de 14 mm este proiectat să reziste la sarcinile radiale intense generate de curelele tensionate, protejând rulmenții și asigurând o durată de viață extinsă a întregului sistem de acționare.
- Eficiență și Fiabilitate: Standardul asigură un consum energetic optimizat, și protecția IP55 garantează o funcționare fiabilă, cu zero întreținere.
Arhitectură Constructivă și Fiabilitate
- Șasiul Motorului: Carcasa din aliaj de aluminiu este proiectată pentru a disipa eficient căldura suplimentară generată de puterea mai mare.
- Nucleul Electric: Înfășurarea din cupru pur maximizează randamentul și este protejată de un sistem de izolație Clasa F (155 °C).
- Sistem de Rotație: Lagărele de precizie sunt dimensionate pentru a suporta sarcinile dinamice asociate cu un cuplu mai mare.
Performanță și Standarde
- Design Electric: Configurația cu 4 poli este optimizată pentru a livra un cuplu puternic și constant la 1400 rpm.
- Standardizare IEC: Gabaritul 71, axul de 14 mm și prinderea B3 sunt conforme cu normele internaționale (IEC 60072), asigurând compatibilitate deplină.
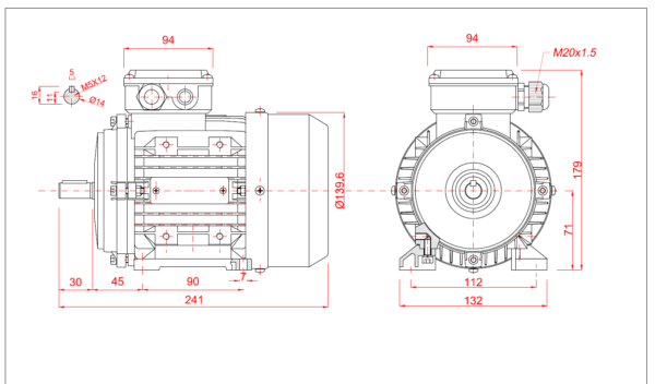
Specificații Tehnice Complete motor electric trifazat 0.37kw 1400rpm 71 B3
| Caracteristică Tehnică |
Valoare |
| Date Electrice |
|
| Putere |
0.37 kW / 0.5 CP |
| Turaţie Sincronă |
1500 rpm |
| Turaţie Nominală |
~1400 rpm |
| Tensiune de Alimentare |
230/400V, 50Hz |
| Frecvență |
50 Hz |
| Curent Nominal (la 400V) |
~1.0 A |
| Factor de Putere (cos φ) |
~0.76 |
| Număr Poli |
4 |
| Date Mecanice |
|
| Gabarit (Mărime Constructivă) |
71 |
| Tip Prindere (Montaj) |
B3 (Talpă) |
| Diametru Ax |
14 mm |
| Lungime Ax |
30 mm |
| Dimensiune Canal Pană |
5x5x20 mm |
| Material Carcasă |
Aluminiu |
| Date de Performanţă şi Funcţionare |
|
| Material Bobinaj |
Cupru 100% |
| Grad de Protecţie |
IP55 |
| Clasă de Izolaţie |
F (155 °C) |
| Tip Răcire |
Autoventilat (IC 411) |
| Temperatură Ambientală Maximă |
40 °C |
| Greutate |
~7 kg |
Detalii de Montaj și Instalare
- Gabarit 71: Valoarea standard IEC care asigură interschimbabilitate dimensională.
- Prindere B3: Standardul universal pentru fixare pe talpă, oferind cea mai bună stabilitate structurală pentru transmisiile prin curea.
Recomandări de Instalare
- Alinierea Transmisiei: Asigurați o aliniere precisă a fuliilor pentru a maximiza durata de viață a curelelor și a rulmenților.
- Ventilație: Păstrați spațiul din spatele motorului liber pentru a permite o răcire optimă.
- Întreținere: Motorul este proiectat pentru a funcționa fără întreținere.
Control și Sisteme Complementare
- Control Avansat: Compatibilitatea cu convertizoare de frecvență (invertoare/VFD) permite controlul precis al vitezei și porniri line, protejând sistemul mecanic.
- Completați Sistemul: Pentru o soluție de acționare completă, recomandăm:
- Fulii și Curele de Transmisie: Soluția ideală pentru a beneficia de stabilitatea montajului B3.
- Cuplaje Elastice: Pentru cazurile de cuplare directă la pompe sau reductoare cu talpă.
- Convertizoare de Frecvență: Un model de 0.75 kW este recomandat pentru controlul și protecția acestui motor.
