Motor Electric Trifazat 0.18kW, 1400rpm | Gabarit 63, Prindere B5
Proiectat pentru a oferi un plus de forță în aplicațiile cu montaj structural, acest motor electric trifazat 0.18kw 1400rpm 63 B5 (0.25 CP) este soluția ideală pentru crearea de unități de acționare monobloc robuste. Turația sa de 1400 rpm (4 poli) livrează un cuplu superior, în timp ce gabaritul compact 63 (ax 11 mm) permite integrarea în spații restrânse. Elementul său distinctiv este prinderea pe flanșă mare (B5), cu un diametru de 140 mm, care asigură o aliniere perfectă și o rigiditate excepțională sub sarcină. Construit cu bobinaj din cupru și carcasă din aluminiu, acest motor garantează eficiență și fiabilitate, fiind protejat IP55.
Avantaje Cheie pentru Aplicații Robuste și Integrate
Acest model este alegerea superioară atunci când atât puterea, cât și rigiditatea structurală sunt critice.
- Forță Sporită cu Rigiditate Maximă (B5): Combinând puterea de 0.18 kW cu stabilitatea flanșei mari, acest motor este perfect pentru a crea ansambluri motor-pompă sau motor-reductor capabile să gestioneze sarcini mai mari, fără riscul de vibrații sau nealinieri.
- Upgrade Direct pentru Pompe și Reductoare: Este pasul logic superior față de modelul de 0.12 kW pentru aplicațiile B5. Permite modernizarea pompelor pentru a gestiona fluide mai vâscoase sau a reductoarelor pentru a livra un cuplu mai mare, fără a modifica sistemul de prindere.
- Performanță Economică IE2: Chiar și la o putere mai mare, motorul respectă standardul de eficiență IE2, asigurând un consum energetic optimizat și costuri de operare reduse pe termen lung.
- Construit pentru Anduranță Industrială: Motorul este protejat IP55 împotriva prafului și umidității. Rulmenții sigilați și izolația Clasa F asigură o funcționare fiabilă, cu zero întreținere.
Arhitectură Constructivă și Fiabilitate
- Corpul Motorului: Carcasa din aliaj de aluminiu asigură o greutate redusă și o disipare termică excelentă.
- Sistemul Electric: Înfășurarea din cupru pur maximizează randamentul și este protejată de un sistem de izolație Clasa F (155 °C).
- Sistemul de Rotație: Lagărele de precizie sunt sigilate pe viață, garantând o funcționare lină și silențioasă.
Performanță și Standarde
- Design Electric: Configurația cu 4 poli este optimizată pentru a livra un cuplu robust la 1400 rpm, ideal pentru sarcini constante.
- Standardizare IEC: Gabaritul 63, axul de 11 mm și prinderea B5 sunt conforme cu normele internaționale (IEC 60072), asigurând compatibilitate deplină.
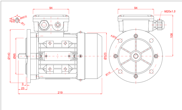
Specificații Tehnice Complete Motor electric trifazat 0.18kw 1400rpm 63 B5
| Caracteristică Tehnică |
Valoare |
| Date Electrice |
|
| Putere |
0.18 kW / 0.25 CP |
| Turaţie Sincronă |
1500 rpm |
| Turaţie Nominală |
~1400 rpm |
| Tensiune de Alimentare |
230/400V, 50Hz |
| Frecvență |
50 Hz |
| Curent Nominal (la 400V) |
0.55 A |
| Factor de Putere (cos φ) |
0.73 |
| Număr Poli |
4 |
| Date Mecanice |
|
| Gabarit (Mărime Constructivă) |
63 |
| Tip Prindere (Montaj) |
B5 (Flanșă mare) |
| Diametru Ax |
11 mm |
| Lungime Ax |
23 mm |
| Dimensiune Canal Pană |
4x4x16 mm |
| Material Carcasă |
Aluminiu |
| Diametru Flanşă (D) |
140 mm |
| Diametru Centrare (N) |
95 mm |
| Date de Performanţă şi Funcţionare |
|
| Material Bobinaj |
Cupru 100% |
| Grad de Protecţie |
IP55 |
| Clasă de Izolaţie |
F (155 °C) |
| Tip Răcire |
Autoventilat (IC 411) |
| Temperatură Ambientală Maximă |
40 °C |
| Greutate |
~5 kg |
Detalii de Montaj și Instalare
- Gabarit 63: Valoarea standard IEC care asigură interschimbabilitate dimensională.
- Prindere B5: Standardul pentru montaj pe flanșă mare, utilizând găuri de trecere pentru cea mai rigidă fixare posibilă pe fața utilajului.
Recomandări de Instalare
- Aliniere: Asigurați o concentricitate perfectă la montaj pentru a beneficia de rigiditatea sistemului și a proteja rulmenții.
- Ventilație: Păstrați spațiul din spatele motorului liber pentru a permite o răcire optimă.
- Întreținere: Motorul este proiectat pentru a funcționa fără întreținere.
Control și Sisteme Complementare
- Control Avansat: Compatibilitatea cu convertizoare de frecvență (invertoare/VFD) permite controlul precis al vitezei și porniri line, protejând sistemul mecanic.
- Completați Sistemul: Pentru o soluție de acționare completă, recomandăm:
- Reductoare cu Intrare B5: Pentru a multiplica cuplul și a crea ansambluri motor-reductor robuste.
- Cuplaje de Precizie: Pentru a proteja axul de 11 mm și a asigura o transmisie lină a puterii.
- Convertizoare de Frecvență: Un model de 0.4 kW este ideal pentru controlul și protecția acestui motor.
