Motor electric trifazat 0.18kw 1400rpm 63 B14

350,00 lei TVA inclus (bucata)

  • Putere: 0,18kw
  • Turatie: 1400rpm
  • Gabarit: 63
  • Diametru ax: 11mm
  • Fixare: Flansa mica
  • Prindere: B14
  • Diametru Flansa: 90mm
  • Carcasa din: Aluminiu
  • Bobinaj: Cupru
  • Uz industrial
Informații suplimentare
Comenzi pentru produsele din stoc:
Comenzile primite până la ora 15:00: vor fi expediate în aceeași zi.
Comenzile primite după ora 15:00: vor fi expediate în ziua următoare.

Informații suplimentare livrare:
Termenul de livrare poate varia în funcție de locația de livrare (standard: 1-3 zile de la comandă).
Costurile de livrare vor fi calculate la finalizarea comenzii.

Greutate 5 kg
Putere

0,18kw

Fisa Tehnica PDF

click aici: https://emotoare.ro/dimensiuni/Specificatii-tehnice-motor-electric-trifazat-1400rpm.pdf

Turatie

1400rpm

Gabarit IEC

63

Diametru Ax

11mm

Prindere

B14

Material carcasa

Aluminiu

Diametru flansa

90mm

Descriere

Motor Electric Trifazat 0.18kW, 1400rpm | Gabarit 63, Prindere B14

Reprezentând un upgrade direct de performanță în clasa motoarelor compacte, acest motor electric trifazat 0.18kw 1400rpm 63 B14 (0.25 CP) este proiectat pentru a livra un cuplu superior la o turație constantă de 1400 rpm (4 poli). Păstrând gabaritul miniatural 63 (ax 11 mm), acest model oferă o putere semnificativ mai mare, fiind soluția ideală pentru utilaje care necesită mai multă forță fără a sacrifica spațiul. Montajul pe flanșă mică (B14) este optimizat pentru o integrare rapidă și o construcție scurtă, coaxială. Construit cu bobinaj din cupru pur și carcasă din aluminiu pentru disipare termică eficientă.

Avantaje Cheie pentru Aplicații cu Sarcini Sporite

Acest model este alegerea perfectă atunci când un motor de 0.12 kW este la limită, oferind o rezervă de putere esențială în același format fizic.

  • Densitate de Putere Superioară (Gabarit 63): Beneficiul major este livrarea unui cuplu cu ~50% mai mare decât varianta de 0.12 kW, în exact același spațiu de montaj. Acest lucru permite modernizarea facilă a echipamentelor existente pentru a procesa sarcini mai grele.
  • Integrare Compactă și Rapidă (B14): Prinderea pe flanșă mică (diametru 90 mm) permite atașarea directă la reductoare sau alte utilaje, creând ansambluri de acționare extrem de scurte și stabile, ideale pentru mașini OEM.
  • Performanță Economică: Chiar și cu o putere mărită, motorul respectă standardul de eficiență, asigurând că energia suplimentară este convertită eficient în lucru mecanic, menținând costurile de operare sub control.

Arhitectură Constructivă și Fiabilitate

  • Corpul Motorului: Șasiul din aluminiu injectat este ușor și funcționează ca un radiator eficient, protejând componentele interne.
  • Sistemul Electric: Înfășurarea din cupru pur maximizează randamentul și este protejată de un sistem de izolație Clasa F (155 °C).
  • Sistemul de Rotație: Lagărele de precizie sunt sigilate pe viață, asigurând o funcționare lină și eliminând complet nevoia de mentenanță.

Performanță și Standarde

  • Design Electric: Configurația cu 4 poli este optimizată pentru a livra un cuplu robust la 1400 rpm, ideal pentru sarcini constante.
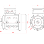
  • Standardizare IEC: Gabaritul 63, axul de 11 mm și prinderea B14 sunt conforme cu normele internaționale (IEC 60072), garantând compatibilitate deplină.

Specificații Tehnice Complete Motor electric trifazat 0.18kw 1400rpm 63 B14

Caracteristică Tehnică Valoare
Date Electrice
Putere 0.18 kW / 0.25 CP
Turaţie Sincronă 1500 rpm
Turaţie Nominală ~1400 rpm
Tensiune de Alimentare 230/400V, 50Hz
Frecvență 50 Hz
Curent Nominal (la 400V) 0.55 A
Factor de Putere (cos φ) 0.73
Număr Poli 4
Date Mecanice
Gabarit (Mărime Constructivă) 63
Tip Prindere (Montaj) B14 (Flanșă mică)
Diametru Ax 11 mm
Lungime Ax 23 mm
Dimensiune Canal Pană 4x4x16 mm
Material Carcasă Aluminiu
Diametru Flanşă (D) 90 mm
Diametru Centrare (N) 55 mm
Date de Performanţă şi Funcţionare
Material Bobinaj Cupru 100%
Grad de Protecţie IP55
Clasă de Izolaţie F (155 °C)
Tip Răcire Autoventilat (IC 411)
Temperatură Ambientală Maximă 40 °C
Greutate ~3.8 kg

Detalii de Montaj și Instalare

  • Gabarit 63: Valoarea standard IEC care asigură interschimbabilitate dimensională.
  • Prindere B14: Montaj pe flanșă mică cu găuri filetate, ideal pentru o conexiune directă, rigidă și scurtă.

Recomandări de Instalare

  • Aliniere: Asigurați o concentricitate perfectă între axul motorului și utilaj pentru a preveni uzura prematură.
  • Ventilație: Păstrați spațiul din spatele motorului liber pentru a permite o răcire optimă.
  • Întreținere: Motorul este proiectat pentru a funcționa fără întreținere.

Control și Sisteme Complementare

  • Control Avansat: Compatibilitatea cu convertizoare de frecvență (invertoare/VFD) permite controlul precis al vitezei, porniri line și optimizarea consumului energetic.
  • Completați Sistemul: Pentru o soluție completă, recomandăm:
    • Reductoare cu Intrare B14: Pentru a multiplica cuplul și a obține turații reduse.
    • Cuplaje Elastice: Pentru a proteja axul de 11 mm și a compensa mici nealinieri.
    • Convertizoare de Frecvență: Un model de 0.4 kW este ideal pentru controlul și protecția acestui motor.

Motor electric trifazat 0.18kw 1400rpm 63 B14

Vizualizat recent

Derulați în sus
Aproape
Aproape
Poza motor electric cu flansa B14 13
Motor electric trifazat 0.18kw 1400rpm 63 B14
350,00 lei TVA inclus (bucata) Adaugă în coș