Motor Electric Trifazat 0.55kW, 1400rpm | Gabarit 80, Prindere B14
Reprezentând trecerea la clasa industrială de anduranță, acest motor electric trifazat 0.55kw 1400rpm 80 B14 (0.75 CP) este proiectat pentru aplicații unde robustețea mecanică este esențială. Trecerea la gabaritul 80 introduce elementul său definitoriu: un ax masiv de 19 mm, care oferă o rezistență superioară la șocuri și sarcini dinamice. Turația sa de 1400 rpm (4 poli) asigură un cuplu puternic, în timp ce montajul pe flanșă mică (B14) permite o integrare directă și compactă.
Beneficii de Anduranță Mecanică și Integrare Eficientă
Acest model este soluția ideală atunci când un motor standard nu este suficient de rezistent, oferind o construcție supradimensionată pentru o fiabilitate excepțională.
- Ax Industrial de 19 mm – O Clasă Superioară de Rezistență: Acesta este avantajul fundamental. Trecerea la un ax de 19 mm (de la 14 mm) crește exponențial rezistența la torsiune și forfecare, făcând motorul ideal pentru aplicații cu porniri bruște, inversări de sens sau sarcini de șoc, unde un ax mai subțire s-ar putea defecta.
- Construcție Industrială în Gabarit 80: Un gabarit mai mare înseamnă o carcasă mai robustă, rulmenți mai mari și o capacitate superioară de disipare a căldurii. Motorul este practic „supradimensionat” pentru puterea sa, ceea ce se traduce printr-o durată de viață mult mai lungă și o fiabilitate crescută în condiții grele.
- Integrare Compactă B14: Chiar și cu o construcție industrială, montajul pe flanșă mică (diametru 120 mm) permite crearea unor ansambluri motor-reductor puternice și scurte, combinând robustețea cu eficiența spațiului.
- Fiabilitate Garantată: Protejat IP55, acest motor este o componentă de încredere, cu zero necesități de întreținere, construită să reziste.
Arhitectură Constructivă și Fiabilitate
- Șasiu Industrial: Carcasa din aliaj de aluminiu, specifică gabaritului 80, este mai masivă, asigurând o rigiditate superioară și o răcire eficientă.
- Nucleul Energetic: Înfășurarea din cupru pur maximizează randamentul și este protejată de un sistem de izolație Clasa F (155 °C).
- Sistem de Rotație Ranforsat: Lagărele de precizie, mai mari decât cele din gabaritul 71, sunt proiectate să suporte sarcini radiale și axiale superioare.
Performanță și Standarde
- Design Electric: Configurația cu 4 poli este optimizată pentru a livra un cuplu puternic și constant la 1400 rpm.
- Standardizare IEC: Gabaritul 80, axul de 19 mm și prinderea B14 sunt conforme cu normele internaționale (IEC 60072), asigurând compatibilitate deplină.
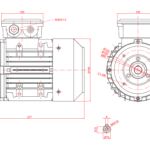
Specificații Tehnice Complete otor electric trifazat 0.55kw 1400rpm 80 B14
| Caracteristică Tehnică |
Valoare |
| Date Electrice |
|
| Putere |
0.55 kW / 0.75 CP |
| Turaţie Sincronă |
1500 rpm |
| Turaţie Nominală |
~1400 rpm |
| Tensiune de Alimentare |
230/400V, 50Hz |
| Frecvență |
50 Hz |
| Curent Nominal (la 400V) |
~1.41 A |
| Factor de Putere (cos φ) |
~0.77 |
| Număr Poli |
4 |
| Date Mecanice |
|
| Gabarit (Mărime Constructivă) |
80 |
| Tip Prindere (Montaj) |
B14 (Flanșă mică) |
| Diametru Ax |
19 mm |
| Lungime Ax |
40 mm |
| Dimensiune Canal Pană |
6x6x22 mm |
| Material Carcasă |
Aluminiu |
| Diametru Flanşă (D) |
120 mm |
| Diametru Centrare (N) |
80 mm |
| Date de Performanţă şi Funcţionare |
|
| Material Bobinaj |
Cupru 100% |
| Grad de Protecţie |
IP55 |
| Clasă de Izolaţie |
F (155 °C) |
| Tip Răcire |
Autoventilat (IC 411) |
| Temperatură Ambientală Maximă |
40 °C |
| Greutate |
~8.5 kg |
Detalii de Montaj și Instalare
- Gabarit 80: Valoarea standard IEC care definește un motor mai mare și mai robust.
- Prindere B14: Montaj pe flanșă mică cu găuri filetate, ideal pentru o conexiune directă, rigidă și compactă.
Recomandări de Instalare
- Aliniere: Asigurați o concentricitate perfectă între axul motorului și utilaj pentru a beneficia de robustețea sistemului.
- Ventilație: Păstrați spațiul din spatele motorului liber pentru a permite o răcire optimă.
- Întreținere: Motorul este proiectat pentru a funcționa fără întreținere.
Control și Sisteme Complementare
- Control Avansat: Compatibilitatea cu convertizoare de frecvență (invertoare/VFD) permite controlul precis al vitezei și porniri line, protejând sistemul mecanic.
- Completați Sistemul: Pentru o soluție de acționare completă, recomandăm:
- Reductoare cu Intrare B14: Dimensionate pentru gabaritul 80.
- Cuplaje Elastice de Înaltă Rezistență: Proiectate pentru a se potrivi cu axul de 19 mm și a gestiona cuplul superior.
- Convertizoare de Frecvență: Un model de 0.75 kW este esențial pentru controlul și protecția acestui motor.
