Motor Electric Trifazat 0.18kW, 1400rpm | Gabarit 63, Prindere B3 (Talpă)
Proiectat pentru a oferi o fundație robustă pentru sarcini sporite, acest motor electric trifazat 0.18kw 1400rpm 63 B3 (0.25 CP) este soluția ideală pentru utilaje staționare care necesită un plus de forță. Turația sa constantă de 1400 rpm (4 poli) livrează un cuplu superior, în timp ce gabaritul compact 63 (ax 11 mm) asigură o integrare facilă în spații restrânse. Elementul său distinctiv este montajul pe talpă (B3), care garantează o ancorare solidă, esențială pentru transmisii prin curele și operațiuni cu vibrații. Realizat cu bobinaj din cupru și o carcasă de aluminiu, motorul asigură o funcționare fiabilă, eficiență energetică și protecție IP55.
Avantaje Cheie pentru Aplicații de Atelier și Producție
Acest model este un upgrade direct de la varianta de 0.12 kW, fiind perfect pentru sarcini care necesită atât o bază solidă, cât și o rezervă de putere.
- Fundație Robustă pentru Sarcini Medii (B3): Montajul pe talpă (standard IEC: IM 1001) oferă cea mai bună stabilitate structurală. Această ancorare fermă este crucială pentru a gestiona cuplul superior al motorului de 0.18 kW și pentru a menține alinierea perfectă în sistemele cu fulii și curele.
- Upgrade de Putere în Gabarit 63: Oferind cu ~50% mai multă forță decât modelul de 0.12 kW, acest motor poate acționa mașini-unelte, pompe mici sau benzi transportoare care s-ar bloca sub sarcină cu un motor mai slab, totul în același format fizic compact.
- Performanță Economică: Chiar și cu o putere mai mare, motorul respectă standardul de eficiență. Acest lucru asigură un consum energetic optimizat, transformând eficient electricitatea în lucru mecanic și menținând costurile operaționale scăzute.
- Construit pentru Anduranță: Motorul este protejat IP55 împotriva prafului și umidității. Rulmenții sigilați și izolația Clasa F completează un pachet fiabil, cu zero necesități de întreținere.
Arhitectură Constructivă și Fiabilitate
- Corpul Motorului: Carcasa din aliaj de aluminiu asigură o greutate redusă și o disipare termică excelentă, protejând componentele interne.
- Sistemul Electric: Înfășurarea din cupru pur maximizează randamentul și este protejată de un sistem de izolație Clasa F (155 °C).
- Sistemul de Rotație: Lagărele de precizie sunt sigilate pe viață, garantând o funcționare lină și silențioasă.
Performanță și Standarde
- Design Electric: Configurația cu 4 poli este optimizată pentru a livra un cuplu robust la 1400 rpm, ideal pentru sarcini constante.
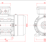
- Standardizare IEC: Gabaritul 63, axul de 11 mm și prinderea B3 sunt conforme cu normele internaționale (IEC 60072), asigurând compatibilitate deplină.
Specificații Tehnice Complete Motor electric trifazat 0.18kw 1400rpm 63 B3
| Caracteristică Tehnică |
Valoare |
| Date Electrice |
|
| Putere |
0.18 kW / 0.25 CP |
| Turaţie Sincronă |
1500 rpm |
| Turaţie Nominală |
~1400 rpm |
| Tensiune de Alimentare |
230/400V, 50Hz |
| Frecvență |
50 Hz |
| Curent Nominal (la 400V) |
0.55 A |
| Factor de Putere (cos φ) |
0.73 |
| Număr Poli |
4 |
| Date Mecanice |
|
| Gabarit (Mărime Constructivă) |
63 |
| Tip Prindere (Montaj) |
B3 (Talpă) |
| Diametru Ax |
11 mm |
| Lungime Ax |
23 mm |
| Dimensiune Canal Pană |
4x4x16 mm |
| Material Carcasă |
Aluminiu |
| Date de Performanţă şi Funcţionare |
|
| Material Bobinaj |
Cupru 100% |
| Grad de Protecţie |
IP55 |
| Clasă de Izolaţie |
F (155 °C) |
| Tip Răcire |
Autoventilat (IC 411) |
| Temperatură Ambientală Maximă |
40 °C |
| Greutate |
~3.8 kg |
Detalii de Montaj și Instalare
- Gabarit 63: Valoarea standard IEC care asigură interschimbabilitate dimensională.
- Prindere B3: Standardul universal pentru fixare pe talpă, oferind o bază solidă și facilitând alinierea, în special pentru transmisiile prin curea.
Recomandări de Instalare
- Aliniere: Asigurați o aliniere precisă a fuliilor pentru a maximiza durata de viață a curelelor și a rulmenților.
- Ventilație: Păstrați spațiul din spatele motorului liber pentru a permite o răcire optimă.
- Întreținere: Motorul este proiectat pentru a funcționa fără întreținere.
Control și Sisteme Complementare
- Control Avansat: Compatibilitatea cu convertizoare de frecvență (invertoare/VFD) permite controlul precis al vitezei și porniri line, protejând sistemul mecanic.
- Completați Sistemul: Pentru o soluție de acționare completă, recomandăm:
- Fulii și Curele de Transmisie: Soluția ideală pentru a beneficia de stabilitatea montajului B3.
- Cuplaje Elastice: Pentru cazurile de cuplare directă la pompe sau reductoare cu talpă.
- Convertizoare de Frecvență: Un model de 0.4 kW este perfect pentru controlul și protecția acestui motor.
