Motor Electric Trifazat 1.1kW, 1400rpm | Gabarit 80, Prindere B14
Reprezentând vârful de putere pentru gabaritul 80, acest motor electric trifazat 1.1kw 1400rpm 80 B14 (1.5 CP) este proiectat pentru a oferi o densitate de putere excepțională în aplicații industriale solicitante. Trecerea la gabaritul industrial 80 introduce o construcție superioară cu un ax masiv de 19 mm, iar montajul pe flanșă mică (B14) permite o integrare directă și compactă.
Beneficii Cheie pentru Aplicații Industriale de Înaltă Performanță
Acest model este soluția fără compromisuri, combinând puterea maximă a gabaritului 80 cu avantajul unui montaj compact și eficiență de vârf.
- Vârful de Putere pentru Gabaritul 80 (1.5 CP): Cu o putere de 1.1 kW, acest motor este alegerea ideală pentru cele mai solicitante sarcini, permițând utilajelor să funcționeze la productivitate maximă, să proceseze materiale mai dure și să gestioneze cicluri de lucru intense fără efort.
- Integrare Compactă pentru Putere Industrială (B14): Montajul pe flanșă mică este soluția perfectă pentru a integra această putere industrială în spații restrânse. Este ideal pentru a construi moto-reductoare de înaltă performanță sau pentru a acționa pompe puternice în design-uri compacte.
- Eficiență – O Investiție în Performanță pe Termen Lung: Design avansat care reduce drastic pierderile de energie. Acest lucru se traduce prin economii substanțiale la costurile de operare și o funcționare mai rece, ceea ce crește fiabilitatea și durata de viață a motorului.
- Anduranță Mecanică pentru Sarcini Grele: Construcția industrială, cu un ax de 19 mm și rulmenți mai mari, asigură o rezistență excepțională la sarcini grele și șocuri, garantând o funcționare fiabilă în cele mai dure condiții.
Proiectare pentru Performanță și Anduranță la Putere Maximă
- Șasiu Industrial Ranforsat: Carcasa masivă din aliaj de aluminiu, specifică gabaritului 80, asigură o rigiditate superioară și o răcire optimă pentru un motor de clasă IE3.
- Nucleul Energetic: Înfășurarea din cupru pur și designul avansat al rotorului sunt optimizate pentru a minimiza pierderile, fiind protejate de izolația Clasa F (155 °C).
- Sistem de Rotație de Înaltă Anduranță: Lagărele de precizie sunt dimensionate pentru a suporta cuplul ridicat și a asigura o durată de viață extinsă în aplicații industriale grele.
Performanță și Standarde
- Design Electric: Configurația cu 4 poli este optimizată pentru a livra cuplul maxim posibil la 1400 rpm pentru acest gabarit.
- Standardizare IEC: Gabaritul 80, axul de 19 mm și prinderea B14 sunt conforme cu normele internaționale (IEC 60072), asigurând compatibilitate deplină.
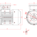
Specificații Tehnice Complete Motor electric trifazat 1.1kw 1400rpm 80 B14
| Caracteristică Tehnică |
Valoare |
| Date Electrice |
|
| Putere |
1.1 kW / 1.5 CP |
| Turaţie Sincronă |
1500 rpm |
| Turaţie Nominală |
~1400 rpm |
| Tensiune de Alimentare |
230/400V, 50Hz |
| Frecvență |
50 Hz |
| Curent Nominal (la 400V) |
~2.59 A |
| Factor de Putere (cos φ) |
~0.73 |
|
|
| Număr Poli |
4 |
| Date Mecanice |
|
| Gabarit (Mărime Constructivă) |
80 |
| Tip Prindere (Montaj) |
B14 (Flanșă mică) |
| Diametru Ax |
19 mm |
| Lungime Ax |
40 mm |
| Dimensiune Canal Pană |
6x6x22 mm |
| Material Carcasă |
Aluminiu |
| Diametru Flanşă (D) |
120 mm |
| Diametru Centrare (N) |
80 mm |
| Date de Performanţă şi Funcţionare |
|
| Material Bobinaj |
Cupru 100% |
| Grad de Protecţie |
IP55 |
| Clasă de Izolaţie |
F (155 °C) |
| Tip Răcire |
Autoventilat (IC 411) |
| Temperatură Ambientală Maximă |
40 °C |
| Greutate |
~10.5 kg |
Detalii de Montaj și Instalare
- Gabarit 80: Valoarea standard IEC care definește un motor mai mare și mai robust.
- Prindere B14: Montaj pe flanșă mică cu găuri filetate, ideal pentru o conexiune directă, rigidă și compactă.
Recomandări de Instalare
- Aliniere: Asigurați o concentricitate perfectă între axul motorului și utilaj pentru a beneficia de robustețea sistemului.
- Ventilație: Păstrați spațiul din spatele motorului liber pentru a permite o răcire optimă.
- Întreținere: Motorul este proiectat pentru a funcționa fără întreținere.
Control și Sisteme Complementare
- Control Avansat: Compatibilitatea cu convertizoare de frecvență (invertoare/VFD) este esențială pentru a beneficia la maximum de eficiența IE3, permițând porniri line și control precis al vitezei.
- Completați Sistemul: Pentru o soluție de acționare completă, recomandăm:
- Reductoare Industriale cu Intrare B14: Dimensionate pentru a gestiona puterea de 1.5 CP.
- Cuplaje de Înaltă Performanță: Proiectate pentru a se potrivi cu axul de 19 mm și a gestiona cuplul superior.
- Convertizoare de Frecvență: Un model de 1.1 kW este obligatoriu pentru controlul și protecția avansată a acestui motor.
