Motor Electric Trifazat 0.37kW, 1400rpm | Gabarit 71, Prindere B14
Reprezentând un upgrade substanțial de putere într-un format standardizat, acest motor electric trifazat 0.37kw 1400rpm 71 B14 (0.5 CP) este proiectat pentru utilaje care necesită un cuplu superior, fără compromisuri de spațiu. Menținând gabaritul compact 71 și montajul pe flanșă mică (B14), acest model oferă o forță de antrenare semnificativ mai mare, ideală pentru sarcini dinamice. Turația sa de 1400 rpm (4 poli) este transmisă printr-un ax robust de 14 mm, perfect dimensionat pentru a gestiona puterea sporită. Construit pentru anduranță, cu bobinaj din cupru, motorul garantează eficiență și fiabilitate, fiind protejat IP55.
Avantaje Cheie pentru Aplicații Exigente
Acest model este alegerea logică atunci când un motor de 0.25 kW este insuficient, oferind o rezervă de putere esențială pentru procese mai rapide sau sarcini mai grele.
- Densitate de Putere Excelentă: Beneficiul principal este livrarea unei puteri de 0.5 CP în același pachet fizic ca un motor mai slab. Acest lucru permite modernizarea facilă a echipamentelor pentru a crește productivitatea sau a gestiona materiale mai dificile.
- Integrare Compactă Fără Compromis (B14): Prinderea pe flanșă mică (diametru 105 mm) este optimizată pentru a crea ansambluri motor-reductor puternice și scurte. Este soluția ideală pentru mașini OEM unde spațiul este critic, dar este necesară o forță de acționare superioară.
- Ax Robust de 14 mm pentru Cuplu Mărit: Axul de 14 mm nu este doar mai gros, ci este proiectat specific pentru a transmite în siguranță cuplul superior generat de puterea de 0.37 kW, asigurând fiabilitate în aplicații cu porniri frecvente sau sarcini variabile.
- Fiabilitate și Eficiență: Standardul asigură un consum energetic optimizat și protecția IP55 garantează o funcționare fiabilă, cu zero întreținere, chiar și la un nivel de putere mai ridicat.
Arhitectură Constructivă și Fiabilitate
- Șasiul Motorului: Carcasa din aliaj de aluminiu este proiectată pentru a disipa eficient căldura suplimentară generată de puterea mai mare.
- Nucleul Electric: Înfășurarea din cupru pur maximizează randamentul și este protejată de un sistem de izolație Clasa F (155 °C).
- Sistem de Rotație: Lagărele de precizie sunt dimensionate pentru a suporta sarcinile dinamice asociate cu un cuplu mai mare.
Performanță și Standarde
- Design Electric: Configurația cu 4 poli este optimizată pentru a livra un cuplu puternic și constant la 1400 rpm.
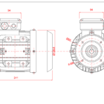
- Standardizare IEC: Gabaritul 71, axul de 14 mm și prinderea B14 sunt conforme cu normele internaționale (IEC 60072), asigurând compatibilitate deplină.
Specificații Tehnice Complete Motor electric trifazat 0.37kw 1400rpm 71 B14
| Caracteristică Tehnică |
Valoare |
| Date Electrice |
|
| Putere |
0.37 kW / 0.5 CP |
| Turaţie Sincronă |
1500 rpm |
| Turaţie Nominală |
~1400 rpm |
| Tensiune de Alimentare |
230/400V, 50Hz |
| Frecvență |
50 Hz |
| Curent Nominal (la 400V) |
~1.0 A |
| Factor de Putere (cos φ) |
~0.76 |
| Număr Poli |
4 |
| Date Mecanice |
|
| Gabarit (Mărime Constructivă) |
71 |
| Tip Prindere (Montaj) |
B14 (Flanșă mică) |
| Diametru Ax |
14 mm |
| Lungime Ax |
30 mm |
| Dimensiune Canal Pană |
5x5x20 mm |
| Material Carcasă |
Aluminiu |
| Diametru Flanşă (D) |
105 mm |
| Diametru Centrare (N) |
70 mm |
| Date de Performanţă şi Funcţionare |
|
| Material Bobinaj |
Cupru 100% |
| Grad de Protecţie |
IP55 |
| Clasă de Izolaţie |
F (155 °C) |
| Tip Răcire |
Autoventilat (IC 411) |
| Temperatură Ambientală Maximă |
40 °C |
| Greutate |
~7 kg |
Detalii de Montaj și Instalare
- Gabarit 71: Valoarea standard IEC care asigură interschimbabilitate dimensională.
- Prindere B14: Montaj pe flanșă mică cu găuri filetate, ideal pentru o conexiune directă, rigidă și compactă.
Recomandări de Instalare
- Aliniere: Asigurați o concentricitate perfectă între axul motorului și utilaj pentru a beneficia de robustețea sistemului.
- Ventilație: Păstrați spațiul din spatele motorului liber pentru a permite o răcire optimă.
- Întreținere: Motorul este proiectat pentru a funcționa fără întreținere.
Control și Sisteme Complementare
- Control Avansat: Compatibilitatea cu convertizoare de frecvență (invertoare/VFD) permite controlul precis al vitezei și porniri line, protejând sistemul mecanic.
- Completați Sistemul: Pentru o soluție de acționare completă, recomandăm:
- Reductoare cu Intrare B14: Pentru a multiplica cuplul și a obține turații reduse.
- Cuplaje Elastice: Dimensionate pentru cuplul superior al acestui motor, pentru a proteja axul de 14 mm.
- Convertizoare de Frecvență: Un model de 0.75 kW este recomandat pentru controlul și protecția acestui motor.
