Motor Electric Trifazat 0.25kW, 1400rpm | Gabarit 71, Prindere B14
Reprezentând un salt în forță și rezistență mecanică, acest motor electric trifazat 0.25kw 1400rpm 71 B14 (0.33 CP) este proiectat pentru aplicații care depășesc limitele gabaritului 63. Turația sa constantă de 1400 rpm (4 poli) livrează un cuplu optim pentru sarcini medii. Trecerea la gabaritul 71 introduce elementul său definitoriu: un ax robust de 14 mm, capabil să suporte solicitări superioare. Montajul pe flanșă mică (B14) asigură o integrare directă și compactă, ideală pentru reductoare și pompe. Construit cu bobinaj din cupru și o carcasă din aluminiu, acest motor garantează eficiență și fiabilitate, fiind protejat IP55.
Avantaje Cheie pentru Aplicații Semi-Industriale
Acest model este un upgrade esențial, oferind nu doar mai multă putere, ci, mai important, o construcție mecanică superioară.
- Ax de 14 mm – O Nouă Clasă de Rezistență: Aceasta este coloana vertebrală mecanică a motorului. Trecerea de la 11 mm (gabarit 63) la 14 mm crește exponențial rezistența la torsiune și forfecare, permițând motorului să gestioneze cupluri de pornire mai mari și sarcini dinamice fără riscul de uzură prematură a axului.
- Integrare Coaxială (B14): Prinderea pe flanșă mică (diametru 105 mm) este optimizată pentru a crea ansambluri motor-reductor sau motor-pompă scurte și rigide. Această metodă de montaj asigură o aliniere perfectă, esențială pentru a maximiza durata de viață a rulmenților și a transmite puterea fără pierderi.
- Performanță Economică: Standardul de eficiență asigură un randament energetic ridicat. Motorul transformă eficient energia electrică în lucru mecanic, reducând costurile operaționale și generând mai puțină căldură în timpul funcționării.
- Fiabilitate: Proiectat pentru anduranță. Carcasa din aluminiu cu nervuri, izolația Clasa F și rulmenții sigilați lucrează împreună pentru a menține o temperatură optimă de operare și a garanta o funcționare fiabilă, cu zero întreținere.
Arhitectură Constructivă și Fiabilitate
- Corpul Motorului: Carcasa din aliaj de aluminiu asigură o greutate redusă și o disipare termică excelentă.
- Sistemul Electric: Înfășurarea din cupru pur maximizează randamentul și este protejată de un sistem de izolație Clasa F (155 °C).
- Sistemul de Rotație: Lagărele de precizie sunt sigilate pe viață, garantând o funcționare lină și silențioasă.
Performanță și Standarde
- Design Electric: Configurația cu 4 poli este optimizată pentru a livra un cuplu puternic la 1400 rpm, ideal pentru sarcini constante.
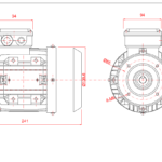
- Standardizare IEC: Gabaritul 71, axul de 14 mm și prinderea B14 sunt conforme cu normele internaționale (IEC 60072), asigurând compatibilitate deplină.
Specificații Tehnice Complete Motor electric trifazat 0.25kw 1400rpm 71 B14
| Caracteristică Tehnică |
Valoare |
| Date Electrice |
|
| Putere |
0.25 kW / 0.33 CP |
| Turaţie Sincronă |
1500 rpm |
| Turaţie Nominală |
~1400 rpm |
| Tensiune de Alimentare |
230/400V, 50Hz |
| Frecvență |
50 Hz |
| Curent Nominal (la 400V) |
0.70 A |
| Factor de Putere (cos φ) |
0.75 |
| Număr Poli |
4 |
| Date Mecanice |
|
| Gabarit (Mărime Constructivă) |
71 |
| Tip Prindere (Montaj) |
B14 (Flanșă mică) |
| Diametru Ax |
14 mm |
| Lungime Ax |
30 mm |
| Dimensiune Canal Pană |
5x5x20 mm |
| Material Carcasă |
Aluminiu |
| Diametru Flanşă (D) |
105 mm |
| Diametru Centrare (N) |
70 mm |
| Date de Performanţă şi Funcţionare |
|
| Material Bobinaj |
Cupru 100% |
| Grad de Protecţie |
IP55 |
| Clasă de Izolaţie |
F (155 °C) |
| Tip Răcire |
Autoventilat (IC 411) |
| Temperatură Ambientală Maximă |
40 °C |
| Greutate |
~5 kg |
Detalii de Montaj și Instalare
- Gabarit 71: Valoarea standard IEC care asigură interschimbabilitate dimensională.
- Prindere B14: Montaj pe flanșă mică cu găuri filetate, ideal pentru o conexiune directă, rigidă și compactă.
Recomandări de Instalare
- Aliniere: Asigurați o concentricitate perfectă între axul motorului și utilaj pentru a beneficia de robustețea sistemului.
- Ventilație: Păstrați spațiul din spatele motorului liber pentru a permite o răcire optimă.
- Întreținere: Motorul este proiectat pentru a funcționa fără întreținere.
Control și Sisteme Complementare
- Control Avansat: Compatibilitatea cu convertizoare de frecvență (invertoare/VFD) permite controlul precis al vitezei și porniri line, protejând sistemul mecanic.
- Completați Sistemul: Pentru o soluție de acționare completă, recomandăm:
- Reductoare cu Intrare B14: Pentru a multiplica cuplul și a obține turații reduse.
- Cuplaje Elastice: Pentru a proteja axul de 14 mm și a compensa mici nealinieri.
- Convertizoare de Frecvență: Un model de 0.4 kW este ideal pentru controlul și protecția acestui motor.
