Motor electric trifazat 4kw 1400rpm 112 B5

1.600,00 lei TVA inclus

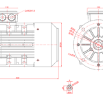
  • Putere: 4kw;
  • Turatie: 1400rpm;
  • Gabarit: 112;
  • Diametru ax: 28mm;
  • Fixare: Flansa mare;
  • Prindere: B5;
  • Diametru Flansa: 250mm;
  • Carcasa din: Aluminiu;
  • Bobinaj: Cupru;
Informații suplimentare
Comenzi pentru produsele din stoc:
Comenzile primite până la ora 15:00: vor fi expediate în aceeași zi.
Comenzile primite după ora 15:00: vor fi expediate în ziua următoare.

Informații suplimentare livrare:
Termenul de livrare poate varia în funcție de locația de livrare (standard: 1-3 zile de la comandă).
Costurile de livrare vor fi calculate la finalizarea comenzii.

Greutate 30 kg
Putere

4kw

Fisa Tehnica PDF

click aici: https://emotoare.ro/dimensiuni/Specificatii-tehnice-motor-electric-trifazat-1400rpm.pdf

Turatie

1400rpm

Gabarit IEC

112

Diametru Ax

28mm

Prindere

B5

Material carcasa

Aluminiu

Diametru flansa

250mm

Descriere

Motor electric trifazat 4kw 1400rpm 112 B5

Proiectat pentru a fi nucleul structural al utilajelor industriale grele, acest motor electric trifazat 4kw 1400rpm 112 B5 (5.5 CP) este soluția de forță pentru aplicații care necesită putere și o integrare perfectă. Trecerea la gabaritul industrial 112 introduce o construcție superioară cu un ax masiv de 28 mm și o platformă de montaj B5 masivă (flanșă de 250 mm).

Beneficii Cheie pentru Aplicații Industriale Grele

Acest model este proiectat pentru a oferi fiabilitate pe termen lung în condiții extreme, combinând o construcție supradimensionată cu eficiență de vârf.

  • Construcție Industrială și Montaj Structural (B5): Combinația dintre șasiul robust al gabaritului 112 și rigiditatea flanșei masive B5 este esențială pentru a anula vibrațiile și a asigura o concentricitate perfectă în aplicații grele, cum ar fi pompele pentru procese industriale sau reductoarele de mare cuplu.
  • Ax Masiv de 28 mm – Proiectat pentru Sarcini Grele: Acesta este un upgrade fundamental de rezistență. Axul de 28 mm este proiectat să suporte cele mai intense solicitări de torsiune și forfecare, făcând motorul ideal pentru aplicații cu porniri bruște, inversări de sens sau sarcini de șoc.
  • Forță Brută de 5.5 CP: Cu o putere de 4 kW, acest motor poate acționa o gamă largă de utilaje industriale, de la benzi transportoare puternic încărcate la pompe de înaltă presiune și mașini-unelte grele, oferind un cuplu puternic și constant.
  • Eficiență – Performanță Economică la Sarcină Grea: Design avansat care reduce drastic pierderile de energie. Pentru utilaje grele cu funcționare continuă, acest lucru se traduce prin economii substanțiale la costurile de operare și o amortizare rapidă a investiției.

Proiectare pentru Anduranță Maximă

  • Șasiu Industrial Ranforsat: Carcasa masivă din aliaj de aluminiu, specifică gabaritului 112, asigură o rigiditate superioară și o răcire optimă.
  • Nucleul Energetic: Înfășurarea din cupru pur și designul avansat al rotorului sunt optimizate pentru a minimiza pierderile, fiind protejate de izolația Clasa F (155 °C).
  • Sistem de Rotație de Înaltă Anduranță: Lagărele de precizie (ex: 6206 ZZ C3), mai mari și mai robuste, sunt proiectate să suporte sarcini radiale și axiale superioare pe termen lung.

Performanță și Standarde

  • Design Electric: Configurația cu 4 poli este optimizată pentru a livra un cuplu puternic și constant la 1400 rpm.
  • Standardizare IEC: Gabaritul 112, axul de 28 mm și prinderea B5 sunt conforme cu normele internaționale (IEC 60072), asigurând compatibilitate deplină.

Specificații Tehnice Complete Motor electric trifazat 4kw 1400rpm 112 B5

Caracteristică Tehnică Valoare
Date Electrice
Putere 4 kW / 5.5 CP
Turaţie Sincronă 1500 rpm
Turaţie Nominală ~1400 rpm
Tensiune de Alimentare 400/690V, 50Hz
Frecvență 50 Hz
Curent Nominal (la 400V) ~7.8 A
Factor de Putere (cos φ) ~0.84
Număr Poli 4
Date Mecanice
Gabarit (Mărime Constructivă) 112
Tip Prindere (Montaj) B5 (Flanșă mare)
Diametru Ax 28 mm
Lungime Ax 60 mm
Dimensiune Canal Pană 8x7x40 mm
Material Carcasă Aluminiu
Diametru Flanşă (D) 250 mm
Diametru Centrare (N) 180 mm
Date de Performanţă şi Funcţionare
Material Bobinaj Cupru 100%
Grad de Protecţie IP55
Clasă de Izolaţie F (155 °C)
Tip Răcire Autoventilat (IC 411)
Temperatură Ambientală Maximă 40 °C
Greutate ~35 kg

Detalii de Montaj și Instalare

  • Gabarit 112: Valoarea standard IEC care definește un motor de clasă industrială robust.
  • Prindere B5: Standardul pentru montaj pe flanșă mare, utilizând găuri de trecere pentru cea mai rigidă fixare structurală posibilă.

Recomandări de Instalare

  • Aliniere: Asigurați o concentricitate perfectă la montaj pentru a beneficia de rigiditatea sistemului și a proteja rulmenții și etanșările utilajului.
  • Ventilație: Păstrați spațiul din spatele motorului liber pentru a permite o răcire optimă.
  • Întreținere: Motorul este proiectat pentru întreținere redusă.

Control și Sisteme Complementare

  • Control Avansat: Compatibilitatea cu convertizoare de frecvență (invertoare/VFD) sau sisteme de pornire soft-start este recomandată pentru a gestiona pornirea și a beneficia la maximum de eficiența IE3.
  • Completați Sistemul: Pentru o soluție de acționare completă, recomandăm:
    • Reductoare Industriale cu Intrare B5: Dimensionate pentru a gestiona puterea de 5.5 CP și cuplul de intrare.
    • Cuplaje de Înaltă Anduranță: Esențiale pentru a proteja axul masiv de 28 mm în aplicații de mare putere.
    • Convertizoare de Frecvență: Un model de 4 kW este obligatoriu pentru control precis și protecție avansată.

Poza motor electric cu talpa B5

Vizualizat recent

Derulați în sus
Aproape
Aproape
Poza motor electric cu talpa B5
Motor electric trifazat 4kw 1400rpm 112 B5
1.600,00 lei TVA inclus Adaugă în coș