Proiectat pentru aplicații industriale grele, acest motor electric trifazat 55kw 3000rpm 250 B5 (75 CP) la 3000 RPM (2 poli) este o unitate de putere construită pentru sarcini severe și funcționare continuă. Carcasa sa masivă din Fontă (gabarit 250) asigură robustețea excepțională și amortizarea vibrațiilor necesare la turații mari, în timp ce montajul pe flanșă mare (B5) este proiectat pentru cuplarea directă și rigidă la pompe de mare presiune, compresoare și alte utilaje grele.
Specificații Tehnice Principale Motor electric trifazat 55kw 3000rpm 250 B5
- Putere: 55 kW (75 CP)
- Turație Sincronă: 3000 RPM (Motor cu 2 poli)
- Tensiune de Alimentare: 400/690V, 50Hz
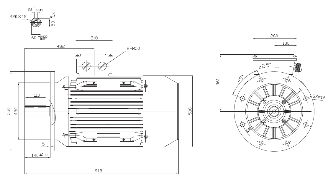
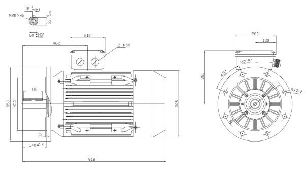
- Gabarit (Cadru): 250
- Tip Montaj: B5 (Prindere pe Flanșă Mare)
- Diametru Ax: 60 mm
- Diametru Flanșă: 550 mm
- Material Carcasă: Fontă
- Bobinaj: 100% Cupru
- Grad de Protecție: IP55 (Protecție contra prafului și jeturilor de apă)
- Clasă de Izolație: F (Rezistență la temperaturi înalte)
- Răcire: IC411 (Autoventilare cu ventilator propriu)
- Standard de Eficiență: Proiectat pentru randament energetic ridicat
Performanță și Fiabilitate în Aplicații Industriale
Construcție Robustă din Fontă pentru „Condiții Severe”
Acest motor validează tehnic promisiunea de a funcționa în „condiții de lucru severe”. Carcasa masivă din fontă (spre deosebire de aluminiu) oferă o masă termică superioară pentru răcire eficientă și o amortizare excelentă a vibrațiilor generate la 3000 RPM, protejând rulmenții și prelungind durata de viață a utilajului.
Montaj B5: Transfer de Putere de Înaltă Viteză
Montajul B5 cu flanșă mare și axul robust de 60mm este proiectat pentru cuplarea directă de mare putere. Această configurație rigidă elimină necesitatea cuplajelor flexibile și asigură un aliniament concentric perfect, esențial pentru transferul eficient al puterii de 55kW la 3000 RPM către pompe de mare presiune și compresoare cu șurub .
Fiabilitate Industrială (IP55, Clasa F)
Proiectat pentru funcționare non-stop, motorul funcționează în regim continuu S1. Gradul de protecție IP55 îl face imun la praf industrial și jeturi de apă , permițând instalarea în medii dificile, cum ar fi „instalații de tratare a apelor” sau „uzine chimice”. Clasa de izolație F asigură rezistența bobinajului la temperaturi ridicate, prevenind defecțiunile cauzate de supraîncălzire.
Aplicații Recomandate
- Sisteme de Pompare: Antrenarea pompelor centrifugale de mare presiune și debit pentru rețele de apă, irigații la scară largă și instalații de tratare a apelor uzate.
- Compresoare Industriale: Cuplarea directă la unități de compresie cu șurub sau cu piston de mare capacitate .
- Ventilație Grele: Acționarea ventilatoarelor și suflantelor de mare volum în fabrici și sisteme de evacuare.
- Industria Grea: Potrivit pentru mașini de prelucrare a metalelor, mașini de extracție și alte utilaje grele care necesită o sursă de putere fiabilă, de mare viteză.
NB: Fotografia atașată este pur orientativă și nu reprezintă o specificație tehnică. Pentru dimensiuni, verificați desenul din pagină.
