Proiectat pentru a converti eficient energia electrică trifazată în putere mecanică de înaltă viteză, acest motor electric trifazat 55kw 3000rpm 250 B3 (2 poli), fiind soluția de acționare robustă pentru aplicații industriale grele. Carcasa sa masivă din Fontă (gabarit 250M) asigură stabilitatea structurală și amortizarea vibrațiilor necesare la turații mari, în timp ce montajul standard pe talpă (B3) permite o fixare sigură pe batiu.
Acest motor este proiectat pentru un randament energetic ridicat și costuri de operare optimizate.
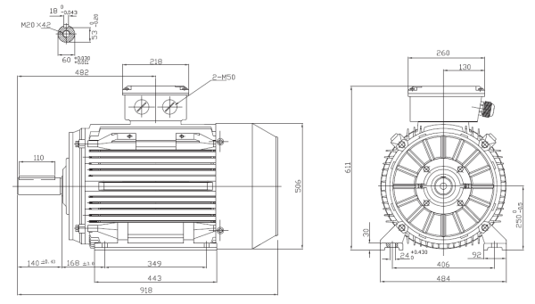
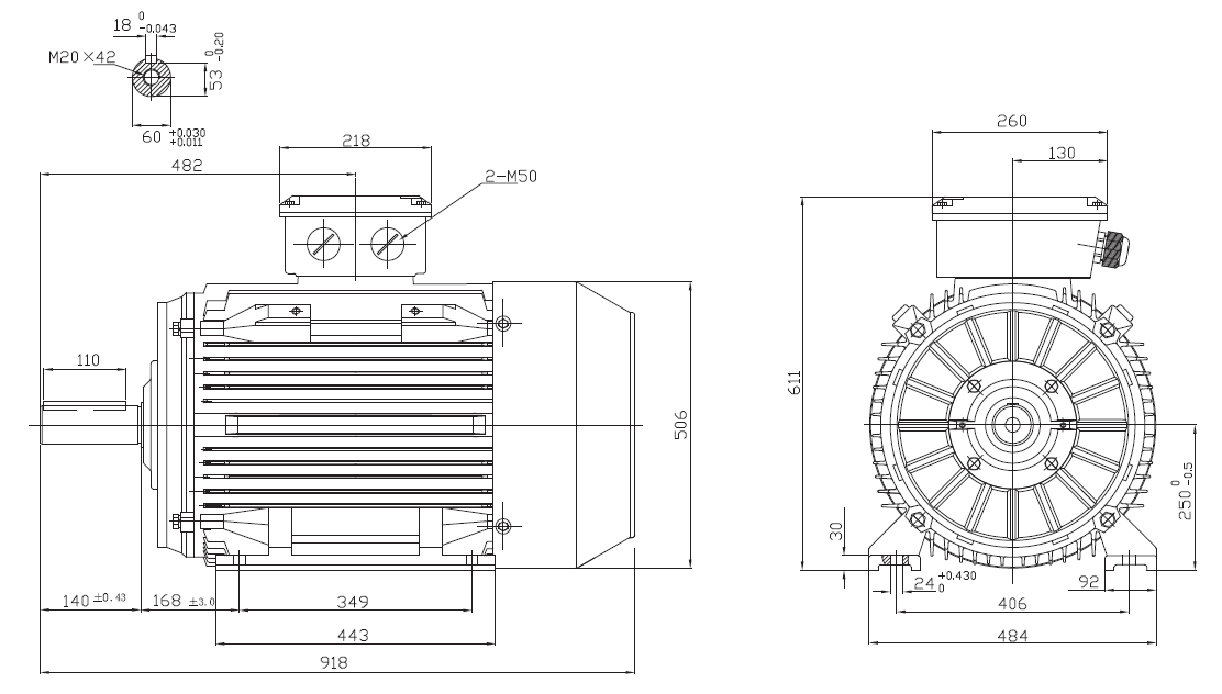
Specificații Tehnice Principale Motor electric trifazat 55kw 3000rpm 250 B3
- Putere: 55 kW (75 CP)
- Turație Sincronă: 3000 RPM (Motor cu 2 poli)
- Turație Nominală (la Sarcină): ~2910-2950 RPM (Include alunecarea)
- Tensiune de Alimentare: 400V (Delta) / 690V (Y) (Permite pornire Stea-Triunghi)
- Frecvență: 50 Hz
- Gabarit (Cadru): 250M
- Tip Montaj: B3 (Montare pe talpă)
- Diametru Ax: 60 mm
- Material Carcasă: Fontă
- Bobinaj: 100% Cupru
- Grad de Protecție: IP55 (Protecție contra prafului și jeturilor de apă)
- Clasă de Izolație: F (Rezistență la temperaturi înalte)
- Răcire: IC411 (Ventilator exterior pe ax)
- Greutate: Aprox. 379 kg (Poate varia ușor)
Performanță și Fiabilitate în Aplicații Industriale
Construcție din Fontă pentru Robustețe Maximă
Carcasa masivă din fontă este esențială pentru un motor de 55kW la 3000rpm. Aceasta oferă rigiditatea necesară pentru a menține aliniamentul intern sub sarcini mari și amortizează excelent vibrațiile, protejând rulmenții și echipamentul antrenat. Fiind superioară aluminiului la acest gabarit, fonta asigură și o disipare termică eficientă.
Proiectat pentru Randament Ridicat
Acest motor este proiectat pentru eficiență energetică și funcționare în regim continuu S1, un factor important pentru un motor de 55 kW destinat aplicațiilor industriale. Bobinajul din cupru 100% asigură un transfer optim al puterii și o gestionare termică excelentă, contribuind la un consum energetic redus și prevenind supraîncălzirea în sarcină.
Fiabilitate în Medii Dificile (IP55, Clasa F)
Gradul de protecție IP55 îl face potrivit pentru instalare în medii cu praf sau umiditate, în timp ce Clasa F de izolație oferă o rezervă termică generoasă, permițând funcționarea sigură chiar și la temperaturi ambientale ridicate sau în cazul unor suprasarcini temporare.
Aplicații Recomandate (Specifice B3 – Viteză Mare)
Montajul robust pe talpă (B3), combinat cu turația înaltă, face acest motor ideal pentru:
- Sisteme de Pompare: Acționarea pompelor centrifugale de mare presiune și debit pe batiu comun, prin cuplaj elastic.
- Ventilație și Suflante: Antrenarea ventilatoarelor industriale mari și a suflantelor pentru sisteme HVAC, exhaustare sau transport pneumatic.
- Compresoare Industriale: Potrivit pentru acționarea compresoarelor de mare capacitate (cu șurub sau piston) montate pe cadru, adesea prin transmisie cu curele.
- Echipamente de Fabricație: Utilizarea în mașini de prelucrare, linii de tăiere sau alte utilaje care necesită o sursă de putere de 55kW la 3000rpm, cu montaj stabil pe fundație.
Ghid de Instalare (Specific B3 – 55kW)
Instalarea unui motor de 55kW necesită atenție sporită:
- Manipulare (379 kg): Utilizați exclusiv echipament de ridicare adecvat, folosind inelul de ridicare al motorului.
- Sistem de Pornire: Pornirea Directă (DOL) este nerecomandată. Utilizați obligatoriu un sistem de pornire Stea-Triunghi (folosind tensiunea 400/690V), Soft-Starter sau Convertizor de Frecvență (VFD) pentru a limita curentul de pornire masiv.
- Fundație și Aliniere: Asigurați o fundație (batiu) perfect plană și rigidă. Alinierea precisă (cu laser sau comparator) a axului motorului (D=60mm) cu axul utilajului este critică pentru a preveni defecțiunile premature ale rulmenților și cuplajului.
- Ventilație: Asigurați spațiu liber în jurul motorului, în special la capătul cu ventilator, pentru a permite răcirea eficientă (IC411). Nu blocați fantele de aer.
NB: Fotografia atașată este pur orientativă și nu reprezintă o specificație tehnică. Pentru dimensiuni, verificați desenul din pagină.
