Motor electric trifazat 0.37kw 3000rpm 71 B3

390,00 lei TVA inclus (Buc)

  • Putere: 0,37kw;
  • Turatie: 3000rpm/2poli;
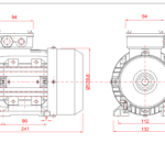
  • Gabarit: 71;
  • Diametru ax: 14mm;
  • Fixare: B3;
  • Prindere: Talpa;
  • Carcasa din: Aluminiu;
  • Bobinaj: Cupru;
Informații suplimentare
Comenzi pentru produsele din stoc:
Comenzile primite până la ora 15:00: vor fi expediate în aceeași zi.
Comenzile primite după ora 15:00: vor fi expediate în ziua următoare.

Informații suplimentare livrare:
Termenul de livrare poate varia în funcție de locația de livrare (standard: 1-3 zile de la comandă).
Costurile de livrare vor fi calculate la finalizarea comenzii.

Greutate 5 kg
Putere

0,37kw

Fisa Tehnica PDF

click aici: https://emotoare.ro/dimensiuni/Specificatii-tehnice-motor-electric-trifazat.pdf

Turatie

3000rpm/2poli

Gabarit IEC

71

Diametru Ax

14mm

Prindere

Talpa

Material carcasa

Aluminiu

Descriere

Atunci când fiabilitatea, viteza și montajul standard sunt critice pentru proiectul dumneavoastră, un motor electric trifazat 0.37kw 3000rpm 71 B3 reprezintă soluția tehnică perfectă. Construit pentru a livra performanță superioară și o funcționare de lungă durată, acest motor este alegerea ideală pentru aplicații industriale generale, sisteme de ventilație și benzi transportoare care necesită o bază solidă și o instalare rapidă.

Construcția cu montaj pe tălpi (B3) oferă versatilitate maximă, permițând o instalare sigură pe orice suprafață plană și o aliniere precisă cu ajutorul curelelor sau cuplajelor. Carcasa din aluminiu contribuie la o disipare eficientă a căldurii, în timp ce alimentarea trifazată asigură un randament energetic ridicat și o operare echilibrată, cu un cuplu constant.

Avantaje Principale

  • Performanță la Turație Înaltă: Cele 3000 de rotații pe minut (2 poli) sunt ideale pentru aplicații care necesită mișcare rapidă, transfer eficient de fluide sau un flux de aer puternic.
  • Montaj Standardizat și Versatil (B3): Prinderea pe tălpi este standardul industrial, permițând o instalare ușoară și robustă, ideală pentru o gamă largă de echipamente și utilaje.
  • Construcție Fiabilă și Durabilă: Realizat cu o carcasă de aluminiu și bobinaj din cupru de înaltă calitate, motorul este proiectat pentru funcționare continuă (serviciu S1). Gradul de protecție IP55 îl face rezistent la praf și la jeturi de apă.
  • Eficiență Trifazată: Beneficiază de toate avantajele alimentării trifazate – eficiență energetică superioară, cuplu constant și o durată de viață prelungită comparativ cu motoarele monofazate.

Specificații Tehnice Motor electric trifazat 0.37kw 3000rpm 71 B3

Caracteristică Detaliu Tehnic
Putere 0.37 kW (370 W)
Turație Sincronă 3000 rpm (2 Poli)
Turație Nominală ~2850 rpm
Tensiune de Alimentare 230/400V, 50Hz
Gabarit (Mărime carcasă) 71
Tip Montaj B3 (Tălpi)
Material Carcasă Aluminiu
Grad de Protecție IP 55
Clasă de Izolație Clasa F
Bobinaj Cupru
Tip Răcire IC 411 (cu ventilator propriu)

Aplicații Ideale pentru Modelul 71 B3

Acest motor este proiectat pentru a excela în următoarele aplicații:

  • Sisteme de ventilație și climatizare: Acționarea ventilatoarelor și a suflantelor pentru a asigura un flux de aer constant.
  • Pompe de apă și alte fluide: Ideal pentru pompe centrifugale în diverse instalații industriale sau agricole.
  • Benzi transportoare mici: Pentru linii de producție, sortare sau ambalare unde viteza este esențială.
  • Mașini unelte: Acționarea polizoarelor, a mașinilor de găurit de banc sau a altor echipamente de prelucrare.
  • Compresoare de aer mici și alte echipamente industriale generale.

Ghid de Alegere Corectă

Asigurați-vă că platforma de montaj a echipamentului dumneavoastră este compatibilă cu un motor cu prindere pe tălpi (B3). Verificați dimensiunile și distanța între găurile de fixare pentru o potrivire perfectă. Dacă aplicația necesită o cuplare directă pe fața utilajului, vă recomandăm varianta cu flanșă mică (B14) sau cu flanșă mare (B5).

Contactați echipa noastră de specialiști pentru consultanță tehnică și pentru a vă asigura că alegeți motorul perfect pentru aplicația dumneavoastră.

Derulați în sus
Aproape
Aproape
Poza motor electric cu talpa B3 2
Motor electric trifazat 0.37kw 3000rpm 71 B3
390,00 lei TVA inclus (Buc) Adaugă în coș