Motor 5.5kW 3000rpm: Viteză Mare și Montaj Standard B3
Acest motor electric trifazat 5.5kw 3000rpm 132 B3 (7.5CP) este proiectat pentru aplicații industriale care necesită o turație ridicată. Livrând 3000 rpm (2 poli), este soluția ideală pentru sarcini centrifugale montate pe batiu, cum ar fi pompele, ventilatoarele de debit mare și sistemele de exhaustare, compresoarele și mașinile de prelucrare a lemnului (ex. circulare).
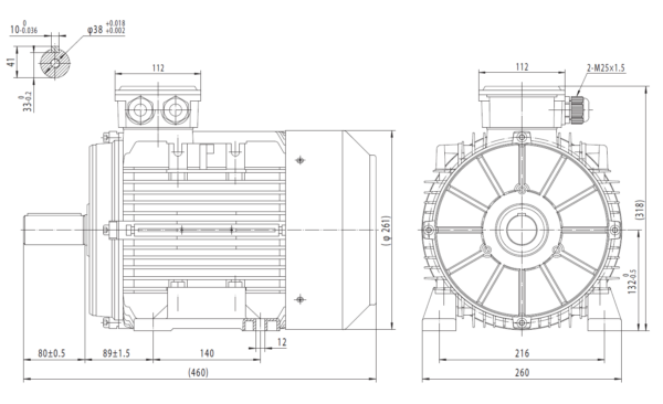
Diferențiatorul principal este montajul standardizat B3 (pe tălpi), proiectat pentru instalare robustă pe un batiu sau cadru solid. Construit pe un gabarit 132S (cu înălțimea axului H=132mm), acest model oferă o bază stabilă pentru alinierea precisă a axului de 38 mm. Carcasa din aluminiu asigură o greutate redusă (aprox. 39 kg) și o disipare termică excelentă, permițând funcționarea fiabilă în regim continuu (S1) și protecție IP55.
Specificații Tehnice Complete Motor electric trifazat 5.5kw 3000rpm 132 B3
| Categorie |
Caracteristică |
Valoare |
| Date Electrice |
Putere |
5.5 kW / 7.5 CP |
|
Tensiune de Alimentare |
400V(Δ) / 690V(Y), 50Hz |
|
Turație Sincronă |
3000 rpm |
|
Turație Nominală |
~2920-2950 rpm |
|
Număr Poli |
2 |
|
|
|
|
Curent Nominal (la 400V) |
~11 A |
| Date Mecanice |
Gabarit (Mărime Constructivă) |
132S |
|
Tip Prindere (Montaj) |
B3 (Tălpi) |
|
Material Carcasă |
Aluminiu |
| Date de Performanță |
Material Bobinaj |
Cupru 100% |
|
Grad de Protecție |
IP55 |
|
Clasă de Izolație |
F |
|
Tip Răcire |
Autoventilat (IC411) |
|
Greutate |
~39 kg |
|
|
|
Validare Dimensională (Gabarit 132S, Montaj B3)
Verificați compatibilitatea rapidă folosind dimensiunile critice de montaj conform standardelor IEC.
| Cod Standard IEC |
Descriere (Dimensiune) |
Valoare (mm) |
| H |
Înălțime Gabarit (ax-talpă) |
132 |
| D |
Diametru Ax |
38 |
| A |
Distanță găuri (lățime) |
216 |
| B |
Distanță găuri (lungime) |
140 |
| K |
Diametru gaură talpă |
12 (pentru M10) |
| E |
Lungime Ax |
80 |
Control și Integrare
Configurația B3 este versatilă, permițând conectarea la utilaj prin cuplaje elastice (pentru aliniere directă) sau prin fulii și curele (pentru modificarea turației). Tensiunea de alimentare 400/690V permite cablarea pentru pornire Stea-Triunghi, o metodă recomandată pentru a reduce șocul de curent la pornire pentru sarcini cu inerție. Motorul este, de asemenea, compatibil cu soft-startere și convertizoare de frecvență (VFD) pentru control avansat.
Acțiunea Dvs: Verificați Schema Tehnică
Fotografiile sunt orientative. Succesul proiectului dumneavoastră depinde de potrivirea dimensională. Vă rugăm să validați dimensiunile tălpilor (A=216mm, B=140mm) și înălțimea axului (H=132mm) folosind schema tehnică din galerie pentru a asigura potrivirea perfectă pe batiul (cadrul) existent înainte de a plasa comanda.
