Motor 4kW 3000rpm: Eficiență și Montaj de Precizie B14
Proiectat pentru aplicații OEM și industriale care necesită o integrare compactă și o viteză mare de intrare, acest motor de 4kW (5.5CP) livrează o turație sincronă de 3000 rpm (2 poli). Elementul său definitoriu este montajul B14 (flanșă mică), care dispune de găuri filetate direct în fața motorului. Această configurație permite o cuplare directă, rigidă și perfect aliniată, fiind soluția ideală pentru:
- Reductoare de turație: Oferă o viteză mare de intrare, permițând utilizarea unor rapoarte de reducere mai mari pentru a obține un cuplu ridicat la ieșire.
- Pompe hidraulice: Turația de 3000 rpm asigură un debit hidraulic superior.
- Ventilatoare și pompe centrifugale: Turația înaltă este perfectă pentru aplicații de debit mare.
Construit pe un gabarit 112M, acest motor combină performanța economică (costuri de operare reduse) cu un design compact. Carcasa de aluminiu asigură o disipare excelentă a căldurii și o greutate redusă, facilitând montajul.
Specificații Tehnice Complete Motor electric trifazat 45kw 3000rpm 225 B5
| Categorie |
Caracteristică |
Valoare |
| Date Electrice |
Putere |
4 kW / 5.5 CP |
|
Tensiune de Alimentare |
230V(Δ) / 400V(Y), 50Hz |
|
Turație Sincronă |
3000 rpm |
|
Turație Nominală |
~2900 rpm |
|
Număr Poli |
2 |
|
|
|
|
Curent Nominal (la 400V) |
~7.22 A |
| Date Mecanice |
Gabarit (Mărime Constructivă) |
112M |
|
Tip Prindere (Montaj) |
B14 (Flanșă mică) |
|
Material Carcasă |
Aluminiu |
| Date de Performanță |
Material Bobinaj |
Cupru 100% |
|
Grad de Protecție |
IP55 |
|
Clasă de Izolație |
F |
|
Tip Răcire |
Autoventilat (IC411) |
|
|
|
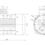
Validare Dimensională (Gabarit 112, Flanșă B14)
Verificați compatibilitatea rapidă folosind dimensiunile critice de montaj conform standardelor IEC.
| Cod Standard IEC |
Descriere (Dimensiune) |
Valoare (mm) |
| H |
Gabarit (Mărime) |
112 |
| D |
Diametru Ax |
28 |
| P |
Diametru Exterior Flanșă |
160 |
| N |
Diametru Centrare |
110 |
| M |
Diametru Cerc Găuri |
130 |
| S |
Filet Găuri Montaj |
M8 |
Control și Integrare
Acest motor este echipat cu izolație Clasa F, făcându-l complet compatibil cu majoritatea convertizoarelor de frecvență (invertoare) pentru un control precis al turației și pornire lină. Montajul B14 este proiectat specific pentru cuplarea directă la reductoare și pompe care au o interfață B14 corespunzătoare gabaritului 112.
Acțiunea Dvs: Verificați Schema Tehnică
Fotografiile sunt orientative. Succesul proiectului dumneavoastră depinde de potrivirea dimensională. Vă rugăm să validați dimensiunile flanșei (P=160mm, N=110mm, M=130mm) și ale axului (D=28mm) folosind schema tehnică din galerie înainte de a plasa comanda.
