Motor electric trifazat 0.55kW 3000rpm 71 B14 | Viteză Mare, Montare Compactă
Optimizați-vă aplicațiile compacte cu performanță de mare viteză. Acest motor electric trifazat de 0.55kW este proiectat să livreze o turație nominală de 3000 rpm (2 poli), fiind soluția perfectă atunci când agilitatea și eficiența energetică sunt esențiale.
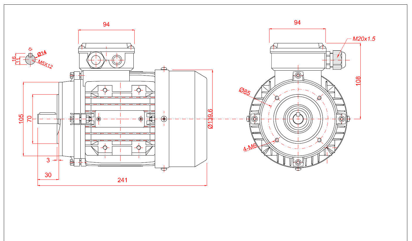
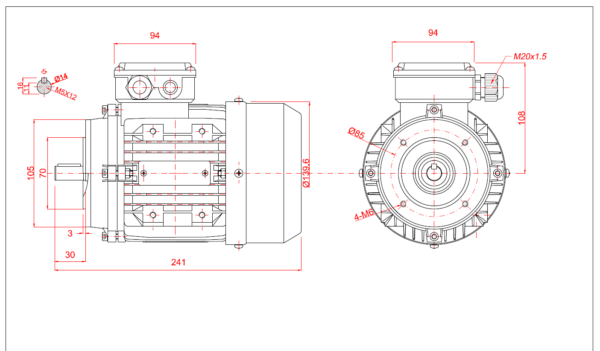
Elementul său distinctiv este prinderea cu flanșă mică (B14), care permite o montare directă, rigidă și perfect aliniată pe carcasele altor echipamente. Acest design economisește spațiu prețios și simplifică instalarea, făcându-l ideal pentru integrarea în utilaje compacte.
Performanță Fiabilă pentru Aplicații de Precizie
Construit pe un gabarit (dimensiune constructivă) de 71, acest motor asincron oferă echilibrul perfect între dimensiuni reduse și putere. Alimentarea trifazată asigură o funcționare lină, un cuplu de pornire ridicat și o fiabilitate superioară în regim de funcționare continuă, depășind cu ușurință motoarele monofazate.
Puterea de 0.55kW și viteza de 3000 rpm îl recomandă pentru o gamă largă de aplicații specializate:
- Mașini de prelucrare: Excelent pentru mașini de găurit de precizie, echipamente de polizat, freze ușoare sau alte unelte care necesită viteză mare de rotație.
- Sisteme de Ventilație: Ideal pentru acționarea suflantelor și ventilatoarelor compacte.
- Pompe Centrifugale: Potrivit pentru pompe de dimensiuni mici care necesită o turație ridicată pentru a genera presiune și debit.
- Benzi Transportoare Rapide: Eficient în sisteme de transport care manipulează sarcini ușoare la viteză mare.
Specificații Tehnice Motor electric trifazat 0.55kw 3000rpm 71 B14
- Putere: 0.55 kW
- Turație: 3000 RPM (2 poli)
- Tip Montare: Flanșă mică (B14)
- Gabarit: 71
- Alimentare: Trifazată (400V)
- Eficiență: Proiectat pentru randament ridicat și consum optimizat de energie.
- Construcție: Carcasă robustă cu sistem de răcire eficient pentru a preveni supraîncălzirea și a asigura o durată de viață extinsă.
- Bobinaj: Cupru;
Control Avansat și Integrare Sigură
Pentru a debloca întregul potențial al acestui motor și a regla cu precizie viteza, recomandăm utilizarea unui convertizor de frecvență trifazat. De asemenea, pentru a proteja atât motorul, cât și echipamentul acționat de șocuri și vibrații, asigurați conexiunea cu un cuplaj elastic de calitate.
Notă Importantă: Fotografia produsului are un caracter pur orientativ. Pentru a asigura o potrivire perfectă, vă rugăm să verificați cu atenție desenul tehnic (schema tehnică) disponibil în pagină înainte de a plasa comanda.
