Pentru aplicațiile care cer o conexiune robustă, aliniere precisă și viteză ridicată, motorul electric trifazat 0.37kw 3000rpm 71 B5 este soluția tehnică de excepție. Conceput special pentru o integrare directă și stabilă, acest motor este alegerea optimă pentru cuplarea la reductoare, pompe industriale și alte echipamente unde rigiditatea ansamblului este esențială.
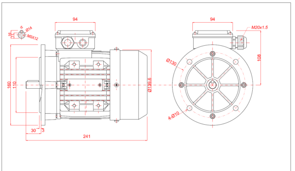
Construcția cu flanșă mare (B5) asigură o suprafață de contact extinsă, garantând o fixare solidă, eliminarea vibrațiilor și un transfer de putere eficient. Această metodă de montaj simplifică designul echipamentului și asigură o aliniere perfectă între motor și utilajul acționat. Carcasa din aluminiu și alimentarea trifazată completează pachetul, oferind răcire eficientă și performanță energetică de top.
Avantaje Principale
- Performanță la Turație Înaltă: Cele 3000 de rotații pe minut (2 poli) sunt ideale pentru aplicații care necesită mișcare rapidă, presiune ridicată în sisteme hidraulice sau un flux de aer puternic.
- Montaj Robust și Precis (B5): Flanșa mare permite o cuplare directă și rigidă la utilaje, fiind ideală pentru reductoare, pompe și ventilatoare industriale unde stabilitatea și alinierea perfectă sunt critice.
- Construcție Fiabilă și Durabilă: Realizat cu o carcasă de aluminiu și bobinaj din cupru de înaltă calitate, motorul este proiectat pentru funcționare continuă (serviciu S1). Gradul de protecție IP55 îl face rezistent la praf și la jeturi de apă.
- Eficiență Trifazată: Beneficiază de toate avantajele alimentării trifazate – eficiență energetică superioară, cuplu constant și o durată de viață prelungită comparativ cu motoarele monofazate.
Specificații Tehnice Motor electric trifazat 0.37kw 3000rpm 71 B5
Aplicații Ideale pentru Modelul 71 B5
Acest motor este proiectat pentru a excela în următoarele aplicații:
- Reductoare și motoreductoare: Pentru acționarea benzilor transportoare, a malaxoarelor sau a altor sisteme care necesită adaptarea turației.
- Pompe industriale: Cuplare directă la pompe centrifugale sau cu angrenaje pentru transferul de lichide la presiune ridicată.
- Ventilatoare industriale: Montaj direct pe carcasele ventilatoarelor pentru sisteme de exhaustare sau climatizare de mare putere.
- Agregate hidraulice compacte: Acționarea pompelor în sisteme hidraulice de mici dimensiuni.
- Mașini de prelucrare a lemnului și alte utilaje specializate care beneficiază de un montaj rigid.
Ghid de Alegere Corectă
Asigurați-vă că echipamentul dumneavoastră este proiectat pentru un motor cu montaj pe flanșă mare tip B5. Verificați cu atenție diametrul flanșei, diametrul de centrare și dimensiunile axului pentru o compatibilitate perfectă. Dacă aveți nevoie de un motor cu montaj pe picioare (tălpi), vă recomandăm varianta B3. Pentru un montaj compact cu flanșă mică, verificați modelul B14.
Contactați echipa noastră de specialiști pentru consultanță tehnică și pentru a vă asigura că alegeți motorul perfect pentru aplicația dumneavoastră.
