Motor electric trifazat 1.5kW 3000rpm 90 B14
Proiectat pentru aplicații care necesită atât putere (1.5kW), cât și o turație foarte ridicată (3000 rpm), acest motor electric trifazat 1.5kw 3000rpm 90 B14 este soluția ideală pentru montarea în spații restrânse. Punctul său forte este prinderea cu flanșă mică (tip B14), care permite o fixare directă, sigură și precis aliniată pe carcasa utilajului, pe un gabarit (dimensiune constructivă) de 90.
Putere de 2CP și Viteză Mare pentru Aplicații Specializate
Cu o putere de 1.5kW (aproximativ 2 CP), acest motor asincron este suficient de robust pentru sarcini medii, iar turația sa înaltă îl face perfect pentru:
- Mașini de Prelucrare: Ideal pentru mașini-unelte compacte, cum ar fi circulare, freze sau mașini de tăiat, unde este necesară o viteză mare de așchiere.
- Echipamente de Polizat/Rectificat: Acționarea perfectă pentru polizoare de banc sau utilaje de finisare care necesită 3000 rpm.
- Pompe și Ventilatoare: Excelent pentru pompe centrifugale de mărime medie sau suflante care necesită montare directă și un debit ridicat.
- Linii de Producție Automatizate: Potrivit pentru sisteme de acționare rapidă în mașini de ambalat sau etichetat.
Alimentarea trifazată (400V) asigură un randament energetic superior, un cuplu de pornire puternic și o funcționare stabilă, esențială pentru aplicații industriale și comerciale.
Caracteristici Tehnice Cheie Motor electric trifazat 1.5kw 3000rpm 90 B14
- Putere: 1.5 kW (aprox. 2 CP)
- Turație: 3000 RPM (2 poli) – Viteză înaltă
- Tip Montare: Flanșă mică (B14)
- Gabarit (Dimensiune constructivă): 90
- Alimentare: Trifazată (Tensiune standard 230/400V)
- Eficiență: Randament energetic superior, proiectat pentru funcționare continuă.
- Construcție: Carcasă robustă cu sistem de răcire eficient pentru o durată de viață extinsă.
- Bobinaj: Cupru;
Control Avansat și Integrare Durabilă
Pentru un control avansat al vitezei și o pornire lină (soft-start), acest motor este partenerul ideal pentru un convertizor de frecvență trifazat. De asemenea, pentru a proteja arborele motorului și al utilajului de șocuri și vibrații, asigurați conexiunea folosind cuplaje elastice de calitate.
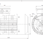
Verificarea dimensiunilor este esențială! Fotografia produsului are un caracter pur orientativ. Pentru a garanta o potrivire perfectă și compatibilitatea dimensională, vă rugăm să consultați cu atenție desenul tehnic (schema tehnică) disponibil în pagină înainte de a plasa comanda.
