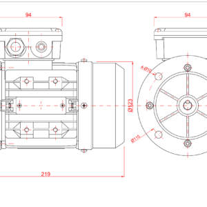
Motor electric trifazat 0.75kW 3000rpm 80 B3
Combinați performanța de mare viteză cu cea mai versatilă opțiune de montare. Acest motor electric trifazat 0.75kw 3000rpm 80 B3 este proiectat să funcționeze la o turație nominală de 3000 rpm (2 poli), oferind puterea și agilitatea necesare pentru o gamă largă de echipamente industriale.
Punctul central al acestui model este montarea standard pe talpă (tip B3). Această configurație robustă permite o instalare stabilă și sigură pe orice suprafață plană, cadru metalic sau banc de lucru, oferind o aliniere ușoară și precisă. Este soluția clasică și cea mai fiabilă pentru transmisia puterii prin fulii și curele sau prin cuplaje elastice.
Performanță Eficientă pentru Aplicații Diverse
Cu o putere de 0.75kW (aproximativ 1 CP) și un gabarit (dimensiune constructivă) de 80, acest motor asincron reprezintă un echilibru excelent între dimensiune și forță. Alimentarea trifazată (standard 400V) asigură un randament energetic superior, un cuplu de pornire puternic și o funcționare constantă, fără fluctuațiile motoarelor monofazate.
Turația ridicată îl recomandă pentru:
- Pompe Centrifugale: Ideal pentru sisteme de pompare care necesită viteză mare pentru a genera presiune.
- Ventilatoare și Suflante: Acționarea eficientă a sistemelor de ventilație industrială.
- Benzi Transportoare Rapide: Potrivit pentru linii de producție care manipulează sarcini ușoare sau medii la viteză ridicată.
- Mașini-unelte: Excelent pentru polizoare, mașini de găurit de banc sau echipamente de prelucrare a lemnului.
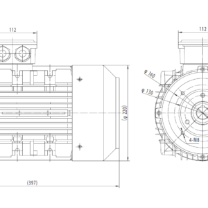
Caracteristici Tehnice Esențiale Motor electric trifazat 0.75kw 3000rpm 80 B3
- Putere: 0.75 kW (aprox. 1 CP)
- Turație: 3000 RPM (2 poli)
- Tip Montare: Talpă (B3)
- Gabarit (Dimensiune constructivă): 80
- Alimentare: Trifazată (Tensiune standard 230/400V)
- Eficiență: Proiectat pentru performanță ridicată și consum optimizat.
- Construcție: Carcasă robustă, proiectată pentru a rezista în medii industriale și a disipa eficient căldura.
- Bobinaj: Cupru;
Control Total al Vitezei
Deși are o turație nominală fixă, viteza acestui motor poate fi controlată cu precizie și eficiență prin utilizarea unui convertizor de frecvență trifazat. Acest lucru vă permite să ajustați turația exact la nevoile procesului dumneavoastră și să beneficiați de o pornire lină.
Atenție la Detalii: Fotografia produsului are un caracter pur orientativ. Pentru a asigura o potrivire perfectă și pentru a verifica toate dimensiunile (înălțimea axului, distanța dintre găurile de fixare din talpă), vă rugăm să consultați cu atenție desenul tehnic (schema tehnică) disponibil în pagină înainte de a plasa comanda.
