Motor electric trifazat 4kw 1400rpm 112 B3
Proiectat pentru a fi fundația de putere a utilajelor industriale grele, acest motor electric trifazat 4kw 1400rpm 112 B3 (5.5 CP) este soluția standard pentru aplicații care cer forță, anduranță și stabilitate maximă. Trecerea la gabaritul industrial 112 introduce o construcție superioară cu un ax masiv de 28 mm, iar montajul pe talpă (B3) asigură o ancorare de neclintit, ideală pentru a gestiona cuplul ridicat.
Beneficii Cheie pentru Aplicații Industriale Grele
Acest model este proiectat pentru anduranță, putere brută și fiabilitate pe termen lung în medii de producție non-stop.
- Construcție Industrială pe o Fundație de Neclintit (B3): Combinația dintre șasiul robust al gabaritului 112 și stabilitatea maximă a prinderii pe talpă face acest motor ideal pentru a anula vibrațiile și a rezista la șocurile din aplicațiile grele, cum ar fi prelucrarea lemnului sau a metalelor cu transmisie prin curea.
- Ax Masiv de 28 mm – Proiectat pentru Sarcini Grele: Acesta este un upgrade fundamental de rezistență. Axul de 28 mm este proiectat să suporte cele mai intense sarcini radiale, generate de curelele late și puternic tensionate, protejând rulmenții și asigurând o transmisie de putere fără compromisuri.
- Forță Brută de 5.5 CP: Cu o putere de 4 kW, acest motor poate acționa o gamă largă de utilaje industriale, de la benzi transportoare puternic încărcate la pompe de înaltă presiune și mașini-unelte grele, oferind un cuplu puternic și constant.
- Eficiență – Performanță Economică la Sarcină Grea: Design avansat care reduce drastic pierderile de energie. Pentru utilaje grele cu funcționare continuă, acest lucru se traduce prin economii substanțiale la costurile de operare și o amortizare rapidă a investiției.
Proiectare pentru Anduranță Maximă
- Șasiu Industrial Ranforsat: Carcasa masivă din aliaj de aluminiu, specifică gabaritului 112, asigură o rigiditate superioară și o răcire optimă.
- Nucleul Energetic: Înfășurarea din cupru pur și designul avansat al rotorului sunt optimizate pentru a minimiza pierderile, fiind protejate de izolația Clasa F (155 °C).
- Sistem de Rotație de Înaltă Anduranță: Lagărele de precizie (ex: 6206 ZZ C3), mai mari și mai robuste, sunt proiectate să suporte sarcini radiale și axiale superioare pe termen lung.
Performanță și Standarde
- Design Electric: Configurația cu 4 poli este optimizată pentru a livra un cuplu puternic și constant la 1400 rpm.
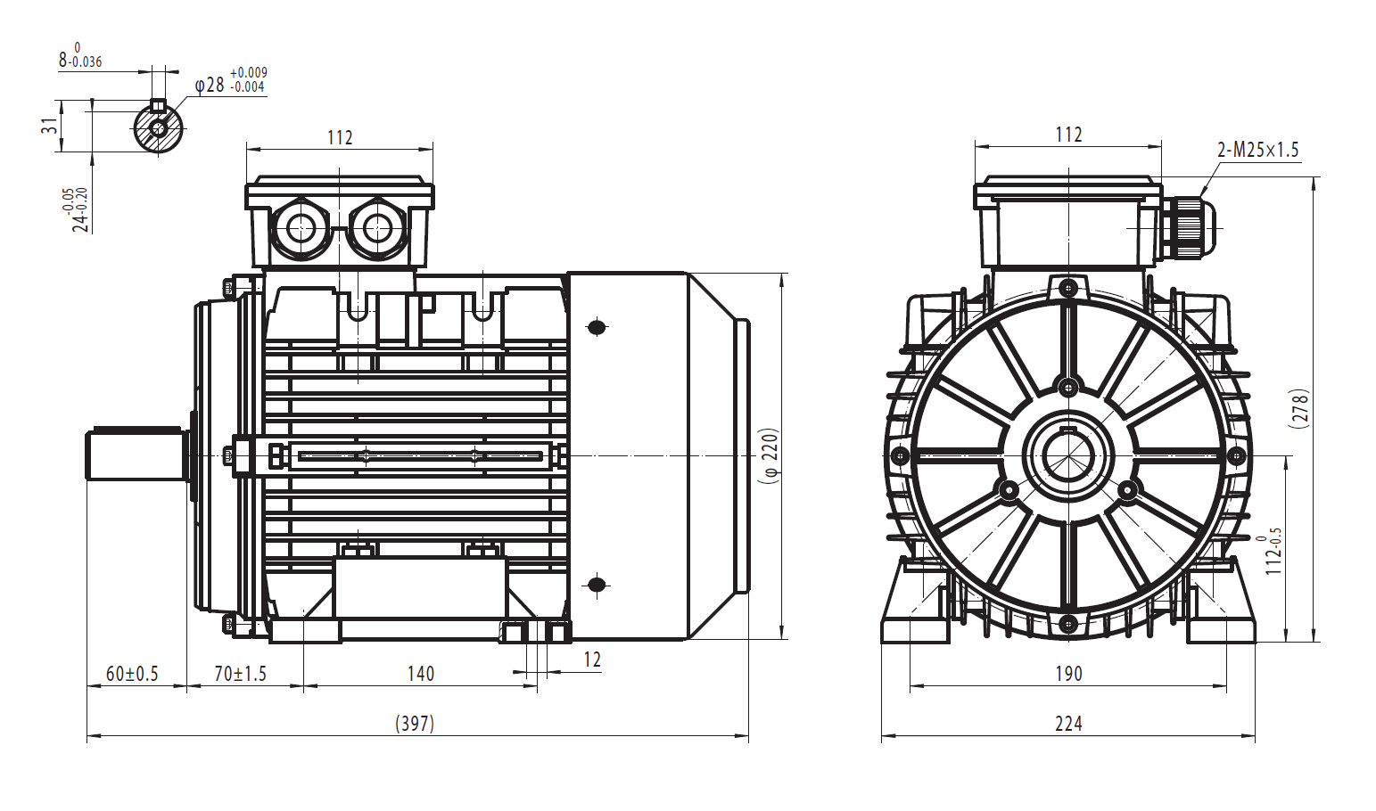
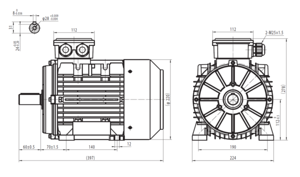
- Standardizare IEC: Gabaritul 112, axul de 28 mm și prinderea B3 sunt conforme cu normele internaționale (IEC 60072), asigurând compatibilitate deplină.
Specificații Tehnice Complete Motor electric trifazat 4kw 1400rpm 112 B3
| Caracteristică Tehnică |
Valoare |
| Date Electrice |
|
| Putere |
4 kW / 5.5 CP |
| Turaţie Sincronă |
1500 rpm |
| Turaţie Nominală |
~1400 rpm |
| Tensiune de Alimentare |
400/690V, 50Hz |
| Frecvență |
50 Hz |
| Curent Nominal (la 400V) |
~7.8 A |
| Factor de Putere (cos φ) |
~0.84 |
|
|
| Număr Poli |
4 |
| Date Mecanice |
|
| Gabarit (Mărime Constructivă) |
112 |
| Tip Prindere (Montaj) |
B3 (Talpă) |
| Diametru Ax |
28 mm |
| Lungime Ax |
60 mm |
| Dimensiune Canal Pană |
8x7x40 mm |
| Material Carcasă |
Aluminiu |
| Date de Performanţă şi Funcţionare |
|
| Material Bobinaj |
Cupru 100% |
| Grad de Protecţie |
IP55 |
| Clasă de Izolaţie |
F (155 °C) |
| Tip Răcire |
Autoventilat (IC 411) |
| Temperatură Ambientală Maximă |
40 °C |
| Greutate |
~35 kg |
Detalii de Montaj și Instalare
- Gabarit 112: Valoarea standard IEC care definește un motor de clasă industrială robust.
- Prindere B3: Standardul universal pentru fixare pe talpă, oferind cea mai bună stabilitate structurală pentru sarcini grele.
Recomandări de Instalare
- Alinierea Transmisiei: Asigurați o aliniere precisă a fuliilor pentru a maximiza durata de viață a curelelor și a rulmenților.
- Ventilație: Păstrați spațiul din spatele motorului liber pentru a permite o răcire optimă.
- Întreținere: Motorul este proiectat pentru întreținere redusă.
Control și Sisteme Complementare
- Control Avansat: Compatibilitatea cu convertizoare de frecvență (invertoare/VFD) sau sisteme de pornire soft-start este recomandată pentru a gestiona pornirea și a beneficia la maximum de eficiența IE3.
- Completați Sistemul: Pentru o soluție de acționare completă, recomandăm:
- Fulii și Curele de Înaltă Anduranță: Dimensionate pentru puterea de 5.5 CP și ax de 28 mm.
- Convertizoare de Frecvență: Un model de 4 kW este obligatoriu pentru control precis și protecție avansată.
- Sisteme de Pornire Stea-Triunghi sau Soft-Startere: Alternative pentru aplicațiile cu viteză fixă.
