Motor Electric Trifazat 0.75kW, 1400rpm | Gabarit 80, Prindere B14
Reprezentând standardul modern de performanță și economie, acest motor electric trifazat 0.75kw 1400rpm 80 B14 (1 CP) este proiectat pentru aplicații industriale care necesită atât putere, cât și un cost de operare redus. Trecerea la gabaritul industrial 80 introduce o construcție robustă cu un ax de 19 mm, iar montajul pe flanșă mică (B14) permite o integrare directă și compactă.
Beneficii Cheie pentru Aplicații Industriale Moderne
Acest model oferă o combinație de neegalat între forță, eficiență energetică și design compact.
- Eficiență – Economii Substanțiale: Acesta este un avantaj major. Rezultatul este un consum electric redus, costuri de operare mai mici și o funcționare mai rece, ceea ce prelungește durata de viață a motorului.
- Putere Industrială de 1 CP: Cu o putere de 0.75 kW, acest motor poate acționa o gamă largă de utilaje industriale, de la benzi transportoare încărcate la pompe de înaltă presiune și mașini-unelte, oferind un cuplu puternic și constant.
- Anduranță Mecanică Superioară (Gabarit 80): Construcția robustă, cu un ax de 19 mm și rulmenți mai mari, asigură o rezistență excepțională la șocuri și sarcini dinamice, făcându-l ideal pentru aplicații cu porniri frecvente sau condiții de lucru grele.
- Integrare Compactă pentru Putere Industrială (B14): Montajul pe flanșă mică este soluția perfectă pentru a integra această putere industrială în spații restrânse, creând ansambluri motor-reductor puternice și eficiente.
Proiectare pentru Performanță și Anduranță
- Șasiu Industrial: Carcasa masivă din aliaj de aluminiu, specifică gabaritului 80, asigură o rigiditate superioară și o răcire optimă pentru un motor de clasă IE3.
- Nucleul Energetic: Înfășurarea din cupru pur și designul avansat al rotorului maximizează randamentul și sunt protejate de un sistem de izolație Clasa F (155 °C).
- Sistem de Rotație Ranforsat: Lagărele de precizie sunt dimensionate pentru a suporta cuplul ridicat și a asigura o durată de viață extinsă.
Performanță și Standarde
- Design Electric: Configurația cu 4 poli este optimizată pentru a livra un cuplu puternic și constant la 1400 rpm.
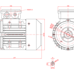
- Standardizare IEC: Gabaritul 80, axul de 19 mm și prinderea B14 sunt conforme cu normele internaționale (IEC 60072), asigurând compatibilitate deplină.
Specificații Tehnice Complete Motor electric trifazat 0.75kw 1400rpm 80 B14
| Caracteristică Tehnică |
Valoare |
| Date Electrice |
|
| Putere |
0.75 kW / 1.0 CP |
| Turaţie Sincronă |
1500 rpm |
| Turaţie Nominală |
~1400 rpm |
| Tensiune de Alimentare |
230/400V, 50Hz |
| Frecvență |
50 Hz |
| Curent Nominal (la 400V) |
~2.10 A |
| Factor de Putere (cos φ) |
~0.71 |
|
|
| Număr Poli |
4 |
| Date Mecanice |
|
| Gabarit (Mărime Constructivă) |
80 |
| Tip Prindere (Montaj) |
B14 (Flanșă mică) |
| Diametru Ax |
19 mm |
| Lungime Ax |
40 mm |
| Dimensiune Canal Pană |
6x6x22 mm |
| Material Carcasă |
Aluminiu |
| Diametru Flanşă (D) |
120 mm |
| Diametru Centrare (N) |
80 mm |
| Date de Performanţă şi Funcţionare |
|
| Material Bobinaj |
Cupru 100% |
| Grad de Protecţie |
IP55 |
| Clasă de Izolaţie |
F (155 °C) |
| Tip Răcire |
Autoventilat (IC 411) |
| Temperatură Ambientală Maximă |
40 °C |
| Greutate |
~8.5 kg |
Detalii de Montaj și Instalare
- Gabarit 80: Valoarea standard IEC care definește un motor mai mare și mai robust.
- Prindere B14: Montaj pe flanșă mică cu găuri filetate, ideal pentru o conexiune directă, rigidă și compactă.
Recomandări de Instalare
- Aliniere: Asigurați o concentricitate perfectă între axul motorului și utilaj pentru a beneficia de robustețea sistemului.
- Ventilație: Păstrați spațiul din spatele motorului liber pentru a permite o răcire optimă.
- Întreținere: Motorul este proiectat pentru a funcționa fără întreținere.
Control și Sisteme Complementare
- Control Avansat: Compatibilitatea cu convertizoare de frecvență (invertoare/VFD) este esențială pentru a beneficia la maximum de eficiența IE3, permițând porniri line și control precis al vitezei.
- Completați Sistemul: Pentru o soluție de acționare completă, recomandăm:
- Reductoare cu Intrare B14: Dimensionate pentru gabaritul 80 și puterea de 1 CP.
- Cuplaje de Înaltă Performanță: Proiectate pentru a se potrivi cu axul de 19 mm și a gestiona cuplul superior.
- Convertizoare de Frecvență: Un model de 0.75 kW este obligatoriu pentru controlul și protecția avansată a acestui motor.
