Motor electric trifazat 11kW 3000rpm B5
Proiectat pentru aplicații industriale grele care necesită o combinație de putere extremă (11kW), viteză înaltă (3000 rpm) și montare directă, acest motor electric trifazat 11kw 3000rpm 160 B5 este o soluție de top. Modelul este echipat cu o flanșă mare de tip B5, permițând cuplarea concentrică direct pe carcasele utilajelor.
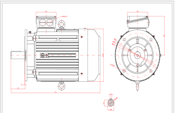
Construit pe un gabarit (dimensiune constructivă) de 160 și având o carcasă robustă din fontă, acest motor este conceput pentru a rezista în cele mai dure medii industriale, oferind o stabilitate excepțională și o disipare excelentă a căldurii.
Eficiență Premium pentru Performanță Industrială
Cu un randament de top (aprox. 90%), reduce activ costurile de operare prin minimizarea consumului de energie electrică. Este echipat standard cu senzori termici PTC pentru a proteja bobinajul împotriva supraîncălzirii și grad de protecție IP55, fiind complet etanșat împotriva prafului și a jeturilor de apă.
Montarea B5 îl face alegerea ideală pentru:
- Grupuri de Pompare de Mare Capacitate: Se montează direct pe pompe centrifugale, creând un ansamblu rigid și compact.
- Ventilatoare și Suflante Industriale Mari: Asigură o fixare solidă, fără vibrații, direct pe carcasa ventilatorului.
- Reductoare de Mare Putere: Compatibil cu reductoare care au interfață de prindere B5.
- Agitatoare și Mixere: Potrivit pentru aplicații grele de amestecare care necesită turație mare.
Caracteristici Tehnice Cheie Motor electric trifazat 11kw 3000rpm 160 B5
- Putere: 11 kW (15 CP)
- Turație: 3000 RPM (2 poli) – Viteză înaltă
- Tip Montare: Flanșă Mare (B5)
- Gabarit (Dimensiune constructivă): 160
- Diametru Ax: 42 mm
- Construcție: Carcasă din fontă
- Protecție: IP55 + Senzori Termici PTC
- Greutate: Aprox. 75-80 kg
- Bobinaj: Cupru;
Control și Integrare
Pentru a gestiona în siguranță puterea de 11kW și pentru a beneficia de porniri line și controlul turației, este esențială utilizarea unui convertizor de frecvență (invertor) de 11kW. Asigurați o conexiune durabilă și protejați sistemul folosind un cuplaj elastic de înaltă calitate, dimensionat pentru un arbore de 42 mm.
Atenție critică la dimensiuni! Fotografia produsului are un caracter pur orientativ. Datorită gabaritului mare (160) și montării specifice B5, este vital să consultați desenul tehnic (schema tehnică) din pagină. Verificați cu atenție diametrul flanșei (PCD) și compatibilitatea axului înainte de a plasa comanda.